Fan motors rotate fans to cool the inside of industrial equipment and other motors by directing heat outside.

General Specifications

Motor Structure:3-phase 2pole
Motor Protection:Thermal Protect
Insulation Resistance:100MOhm or over with a DC500V Megger
Dielectric Withstand Voltage:AC1800V 1s
Allowable Ambient Temperature Range:
-20deg.C~+60deg.C
(Operating)
-40deg.C~+70deg.C
(Storage)
*no condensation permissible state plractice.

  • Click the arrow icon in the table below to switch from ascending to descending order.

    scroll

    Model

    Product No

    Phase

    Nominal Voltage
    [V]

    Operating Voltage
    lower limit
    [V]

    Operating Voltage
    upper limit
    [V]

    Frequency
    [Hz]

    Starting Voltage
    [V]

    Current
    [A]

    Input Power
    [W]

    Speed
    [min-1]

    Max. Air Flow
    [m3/min]

    Fan Diameter
    [mm]

    Fan Hight
    [mm]

    Mass
    [g]

    RT6323-0220W-B30F-S 00 3 200 180 220 50 130 0.092 28.0 2450 4.00 160.0 68.0 1080
    RT6323-0220W-B30F-S 00 3 200 180 220 60 130 0.100 37.0 2480 4.00 160.0 68.0 1080

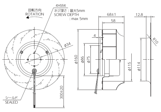
    Outline

    Material

    Impeller:Steel
    Bearing:Ball Bearings

    Characteristic Curves

  • *Failure rate 10% 25deg.C 25,000 hours(65%RH)

Contact Us

Please click the inquiry type below according to your question. Each product / sales representative will respond to you.