1. Fan Motors
  2. DC fan motors
  3. General purpose

02510SS

General purpose

We have prepared variety series, we can handle wide range of applications.
The SA series is the latest design to achieve high efficiency and long service life using ball bearings.
The SS series is the latest shock-resistance design using long life sleeve bearings and the price is low.

General Specifications

Motor Protection:Auto Restart / Polarity Protection
Insulation Resistance:10M ohm or over with a DC500V Megger
Dielectric Withstand Voltage:AC700V 1s
Allowable Ambient Temperature Range :-10deg.C - +70deg.C (Operating)
-40deg.C - +70deg.C (Storage)
non-condensing environment

  • Click the arrow icon in the table below to switch from ascending to descending order.

    scroll

    Model

    Product No

    Nominal Voltage
    [V]

    Operating Voltage
    lower limit
    [V]

    Operating Voltage
    upper limit
    [V]

    Current
    [A]

    Input Power
    [W]

    Speed
    [min-1]

    Max. Air Flow
    [m3/min]

    Max. Air Flow
    [CFM]

    Max. Static Pressure
    [Pa]

    Max. Static Pressure
    [In H2O]

    Noise
    [dB]

    Mass
    [g]

    02510SS-05P-AA-00 00 5 4.5 5.5 0.18 0.90 13000 0.08 2.65 68.0 0.27 28.5 8.0
    02510SS-12P-AA-00 00 12 6.0 13.8 0.07 0.84 13000 0.08 2.65 68.0 0.27 28.5 8.0

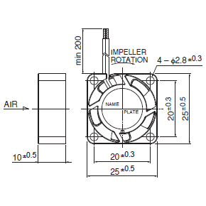
    Rotation: Clockwise as seen from the label side
    Airflow Outlet: Label side
    *1: Average Values in Free Air

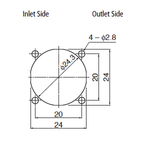
    Outline

    Panel Out-cuts

    Characteristic Curves

  • 40deg.C 30,000 Hours *Failure Rate 10% (L10 Life)

  • Casing:Plastic (Black) UL94V-0
    Impeller:Plastic (Black) UL94V-0
    Bearing:Sleeve
    BearingLead Wire:UL1061 AWG26 +: Red, -: Black

  • Associated Data

    CAD

Contact Us

Please click the inquiry type below according to your question. Each product / sales representative will respond to you.