General Specifications
      Motor Protection:Auto Restart
Insulation Resistance:10M ohm or over with a DC500V Megger
Dielectric Withstand Voltage:AC700V 1s
Allowable Ambient Temperature Range :
 -10deg.C - +60deg.C (Operating)
 -40deg.C - +70deg.C (Storage)
non-condensing environment
Specifications
| Model | Product No | Nominal Voltage [V]  | 
          Operating Voltage lower limit [V]  | 
          Operating Voltage upper limit [V]  | 
          Current [A]  | 
          Input Power [W]  | 
          Speed [min-1]  | 
          Max. Air Flow [m3/min]  | 
          Max. Air Flow [CFM]  | 
          Max. Static Pressure [Pa]  | 
          Max. Static Pressure [In H2O]  | 
          Noise [dB]  | 
          Mass [g]  | 
        
|---|
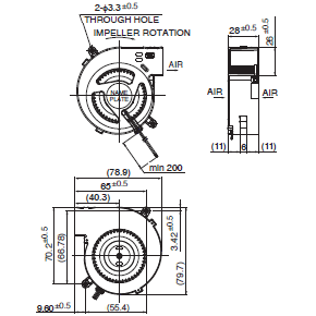
Rotation: Clockwise as seen from the label side
*1: Average Values in Free Air
Outline
                  
                  Characteristic Curves
                  
                  Expected Life
60deg.C 20,000 Hours *Failure Rate 10% (L10 Life)
Material
Casing Lower:Plastic (Black) UL94V-0
Casing Upper:Steel
Impeller:Plastic (Black) UL94V-0
Bearing:Sleeve Bearing
Lead Wire:UL1061 AWG26 +: Red, -: Black
