General Specifications
Motor Protection:Locked rotor, Reverse polarity
Insulation Resistance:10M Ohm min, measured with 500V DC between all leads shorted together and case
Dielectric Withstand Voltage:AC500V 1minute
Allowable Ambient Temperature Range:
-30 deg.C - +70 deg.C (Operating)
-40 deg.C - +80 deg.C (Storage)
non-condensing environment
Specifications
| Model | Nominal Voltage [V] |
Operating Voltage lower limit [V] |
Operating Voltage upper limit [V] |
Nominal Current [A] |
Input Power [W] |
Speed [rpm] |
Maximum airflow [m3/min] |
Max. Air Flow [CFM] |
Max. Static Pressure [Pa] |
Max. Static Pressure [In H2O] |
Noise [dB] |
Mass [g] |
|---|
*1 Average values in free air and rated voltage condition.
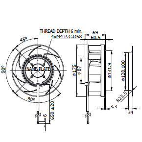
Outline
Panel Out-cuts
Characteristic Curves
Expected Life
40 deg.C 70,000hours (L10)
Material
Impeller: Plastic
Bearing: Ball Bearings
Lead Wire: UL1430 AWG18 +: Red−: Black
Speed Control: Yellow
Speed Signal: White
