Introducing large size axial fans developed mainly for telecommnication equipment.
Using MinebeaMitsumi made ball bearings and retaining high reliability with three phase driving system DC brushless motor.
These motors are used for the parts and components where a stronger airflow and static pressure are required.
Environment-compatible type products such as dustproof, waterproof, and so on are also being provided.

General Specifications

Motor Protection:Locked rotor, Reverse polarity
Insulation Resistance:10M Ohm min, measured with 500V DC between all leads shorted together and case
Dielectric Withstand Voltage:AC500V 1minuteAllowable Ambient Temperature Range:
-30 deg.C - +70 deg.C (Operating)
-40 deg.C - +80 deg.C (Storage)
non-condensing environment

  • Click the arrow icon in the table below to switch from ascending to descending order.

    scroll

    Model

    Nominal Voltage
    [V]

    Operating Voltage
    lower limit
    [V]

    Operating Voltage
    upper limit
    [V]

    Nominal Current
    [A]

    Input Power
    [W]

    Speed
    [rpm]

    Maximum airflow
    [m3/min]

    Max. Air Flow
    [CFM]

    Max. Static Pressure
    [Pa]

    Max. Static Pressure
    [In H2O]

    Noise
    [dB]

    Mass
    [g]

    R150H3-051-D0760 48 43.2 52.8 2.1 100.8 6500 13.4 473 798 3.2 73 800
    R150H4-051-D0750 48 43.2 52.8 1.0 48.0 5000 10.3 364 557 2.2 66 800
    R150H1-051-D0560 24 21.6 26.4 4.0 96.0 6500 13.4 473 798 3.2 73 800
    R150H2-051-D0550 24 21.6 26.4 2.0 48.0 5000 10.3 364 557 2.2 66 800

    *1 Average values in free air and rated voltage condition.

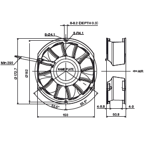
    Outline

    Characteristic Curves

  • 40 deg.C 70,000hours (L10)

  • Casing: Aluminum
    Impeller: Plastic
    Bearing: Ball
    BearingsLead Wire: UL3266 AWG20 +: Red−: BlackSpeed Control: YellowSpeed Signal: White
    * IP compatible type is available for this item.

  • Associated Data

Contact Us

Please click the inquiry type below according to your question. Each product / sales representative will respond to you.