Introducing large size axial fans developed mainly for telecommnication equipment.
Using MinebeaMitsumi made ball bearings and retaining high reliability with three phase driving system DC brushless motor.
These motors are used for the parts and components where a stronger airflow and static pressure are required.
Environment-compatible type products such as dustproof, waterproof, and so on are also being provided.

General Specifications

Motor Protection:Locked rotor, Reverse polarity
Insulation Resistance:10M Ohm min, measured with 500V DC between all leads shorted together and case
Dielectric Withstand Voltage:AC500V 1minuteAllowable Ambient Temperature Range:
-30 deg.C - +70 deg.C (Operating)
-40 deg.C - +80 deg.C (Storage)
non-condensing environment

  • Click the arrow icon in the table below to switch from ascending to descending order.

    scroll

    Model

    Nominal Voltage
    [V]

    Operating Voltage
    lower limit
    [V]

    Operating Voltage
    upper limit
    [V]

    Nominal Current
    [A]

    Input Power
    [W]

    Speed
    [rpm]

    Maximum airflow
    [m3/min]

    Max. Air Flow
    [CFM]

    Max. Static Pressure
    [Pa]

    Max. Static Pressure
    [In H2O]

    Noise
    [dB]

    Mass
    [g]

    R200A0-051-D0760 48 30 72 2.9 139.2 6500 22.2 783 1028 4.1 74 1200
    R200A1-051-D0750 48 30 72 1.3 62.4 5000 16.7 590 828 3.3 67 1200
    R200A4-051-D0550 24 18 30 2.8 67.2 5000 16.7 590 828 3.3 67 1200
    R200A5-051-D0540 24 18 30 1.5 36.0 4000 13.4 472 529 2.1 61 1200

    *1 Average values in free air and rated voltage condition.

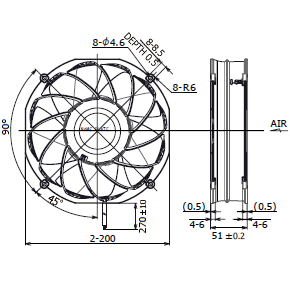
    Outline

    Characteristic Curves

  • 40 deg.C 70,000hours (L10)

  • Casing: Aluminum
    Impeller: Plastic
    Bearing: Ball
    BearingsLead Wire: UL3266 +: Red (AWG20)−: Black (AWG20)Speed Control: Yellow (AWG22)Speed Signal: White (AWG22)

  • Associated Data

Contact Us

Please click the inquiry type below according to your question. Each product / sales representative will respond to you.