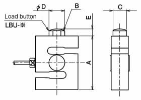
Load button
Download
Parts List
Click the arrow icon in the table below to switch from ascending to descending order.
scroll
|
Parts |
Applicable load cell |
Mounting picture |
|---|---|---|
| LBU series LBU1 | U3B1-B series load button | ![]() |
| LBU series LBU2 | U3S1-NS / U2S1 series load button | ![]() |
Custom
- ※Custom products are intended for mass production. Please consult us for small-lot orders.
Featured Products
Engineering Information
Basic Knowledge
Case Studies
Product Topics
Industry
Contact Us
Please click the inquiry type below according to your question. Each product / sales representative will respond to you.

