Overview
Shape : Flat
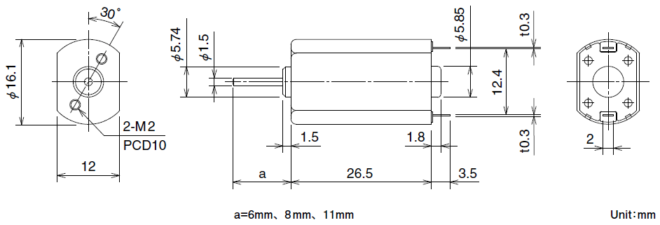
Shaft Length : a = 11mm
Specifications
| Model | Operating Voltage lower limit [V] |
Operating Voltage upper limit [V] |
Rated Voltage [V] |
No load speed [min-1] |
No Load Current [mA] |
Rated Load [gf・cm] |
Rated Load [mN・m] |
Rated Load Speed [min-1] |
Rated Load Current [mA] |
Starting Torque [gf・cm] |
Starting Torque [mN・m] |
Starting current [mA] |
Shaft Length [mm] |
|---|
Characteristics
Overall View

