Features
      - Adopts a unique spiral cam drive type (design registered), and highly reliable due to its simple structure.
- Rotation of the cam directly to the motor shaft.
- High mechanical efficiency using High-precision MinebeaMitsumi ball bearings.
- Smaller, lighter and more reliable than typical electric grippers due to it is not a complex mechanism using gears or worm gears.
- Small and lightweight design with cam mechanism enables multisided mounting of robot arms.
Specification
| Stroke [mm]  | 
              11 | 
|---|---|
| Grip force lower limit [N]  | 
              0.7 | 
| Grip force upper limit [N]  | 
              2.4 | 
| Repetitive positioning accuracy [mm]  | 
              ±0.02 | 
| Weight [g]  | 
              100 | 
Specifications are subject to change without notice.
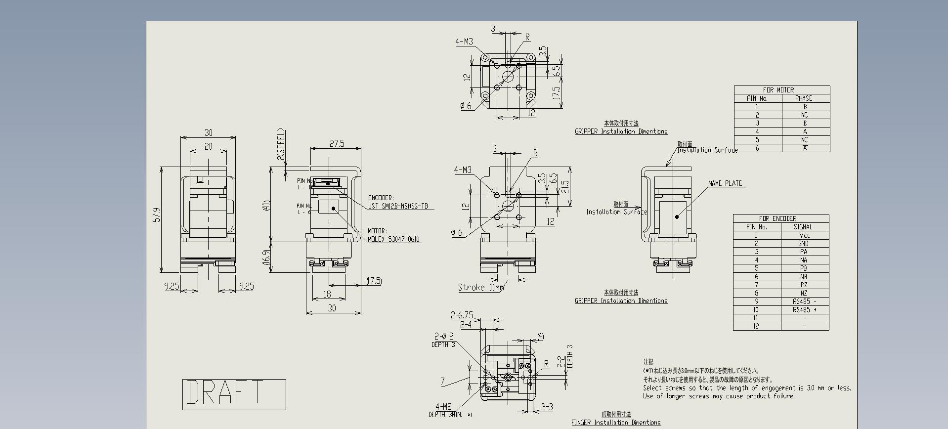
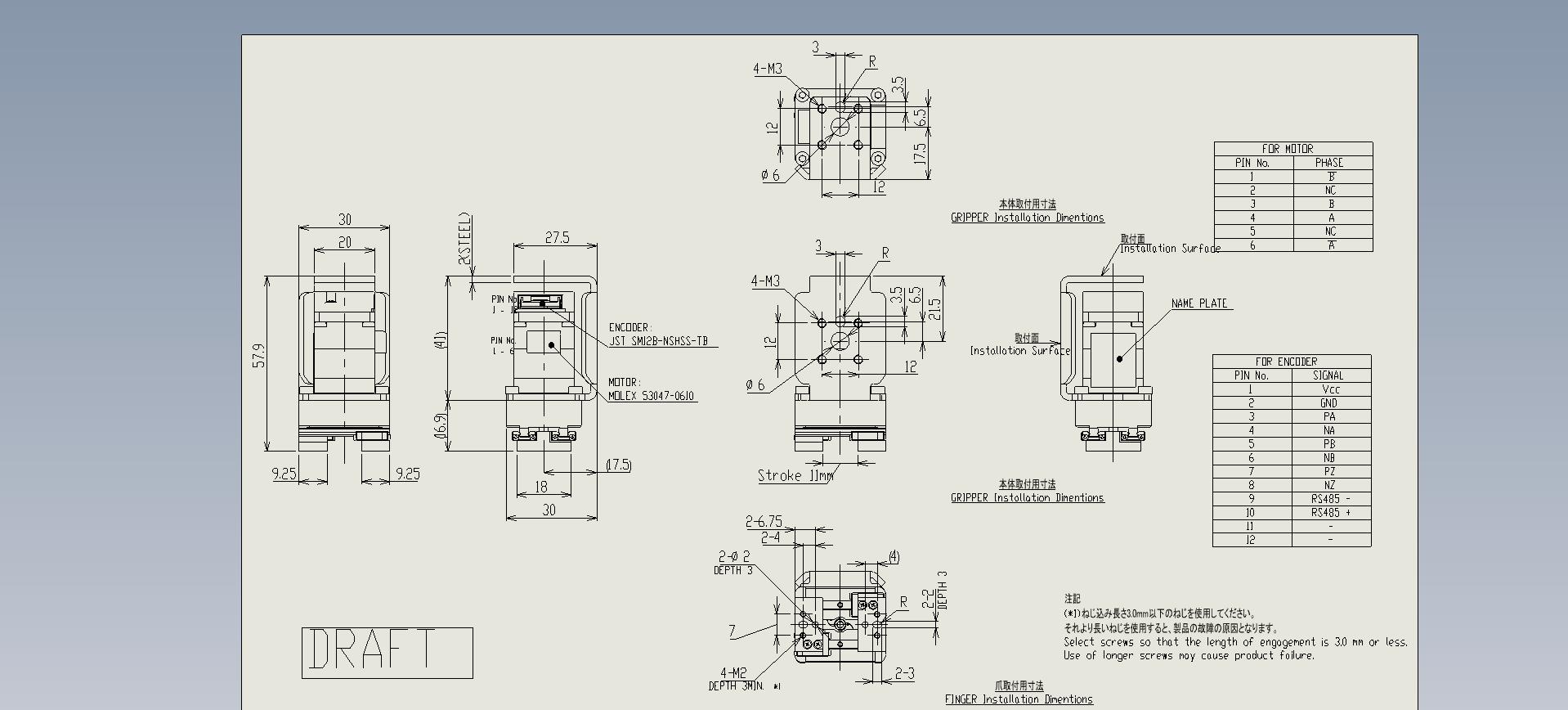
Overall View
      
