Features
This is an integrated hybrid stepper with a built-in driver and encoder. This design eliminates the wiring between the motor and the driver, leading to significant space and wiring reduction. It is ideal for applications where installation space is limited.
Furthermore, its closed-loop control supplies only the necessary current according to the load, effectively suppressing heat generation and contributing to energy savings. A configuration app is also provided free of charge.
This driver supports Modbus RTU communication and also enables I/O and pulse train operation. For detailed information, please refer to the "Specifications" section.
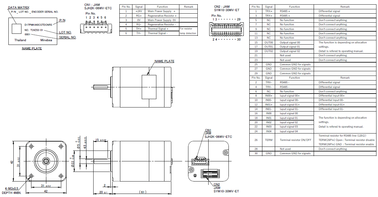
Specifications and Overall View
| Outer Diameter [mm] |
42.0 |
|---|---|
| Length [mm] |
61 |
| Input voltage | DC24V |
| Rated Current [A] |
3A Average |
| Holding Torque [mN・m] |
378 |
| Rotor Inertia [g・cm2] |
75 |
| Detent Torque [mN・m] |
16.7 |
| Adaptive Load Inertia | Within about 1500gcm |
| Encoder Resolution [CPR] |
16384 |
| Communication | RS485 |
| Maximum number of drivers that can be connected | 15 |
| Pulse operation | ✔ |
| I/O operation | ✔ |
| Mass [g] |
400 |
Motor Overall View
□42
Torque/Speed Characteristics
Connection Diagram
Download
Product customizations by MinebeaMitsumi
We customize products through technological consultations, sample productions, optional functionalities, and other forms of support we offer to meet your demands.

