Features
When combined with the specified encoder-equipped stepper, this driver system achieves "closed-loop control." We offer a comprehensive lineup of drivers tailored for various FA networks. Furthermore, all models support I/O and pulse train operation. This driver is compatible with the motors listed on this page, and a configuration app is available free of charge.
This driver supports RS485 communication and also enables I/O and pulse train operation. For compatible motors, please refer to the "Motor Specifications" and "Torque/Speed Characteristics".
Driver Specifications and Overall View
Driver Specifications
| External dimensions (W) [mm] |
40.6 |
|---|---|
| External dimensions (D) [mm] |
79.5 |
| External dimensions (H) [mm] |
100 |
| External dimensions (H) [mm] |
119.5 |
| Number of connected axes | single axis |
| Main circuit input power voltage | DC24/48V |
| Input current | Motor rated current or higher |
| Control circuit input power supply voltage | DC24V |
| Control circuit Input current [mA] |
150 |
| Adaptive Load Inertia | Less than 20 times the motor inertia |
| Communication | RS485 |
| Maximum number of drivers that can be connected | 15 |
| Pulse operation | ✔ |
| I/O operation | ✔ |
| Mass [g] |
190 |
Driver Overall View
Motor Specifications and Overall View
Motor Specifications
| Model | Outer Diameter [mm] |
Length [mm] |
Rated Current [A] |
Resistance [Ω] |
Holding Torque [mN・m] |
Rotor Inertia [g・cm2] |
Detent Torque [mN・m] |
Encoder Resolution [CPR] |
Mass [g] |
Maximum turn count |
|---|---|---|---|---|---|---|---|---|---|---|
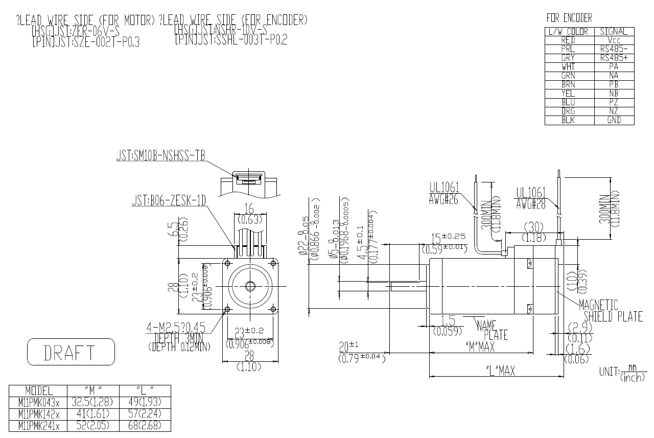
| M11PMK043CSMA00 | 28 | 49 | 1.5 | 1.3 | 100 | 8 | 4.4 | 16000 | 170 | 200 |
| M11PMK142CSMA00 | 28 | 57 | 1.5 | 1.5 | 145 | 13 | 5.4 | 16000 | 200 | 200 |
| M11PMK241CSMA00 | 28 | 68 | 1.5 | 1.7 | 200 | 16 | 8 | 16000 | 270 | 200 |
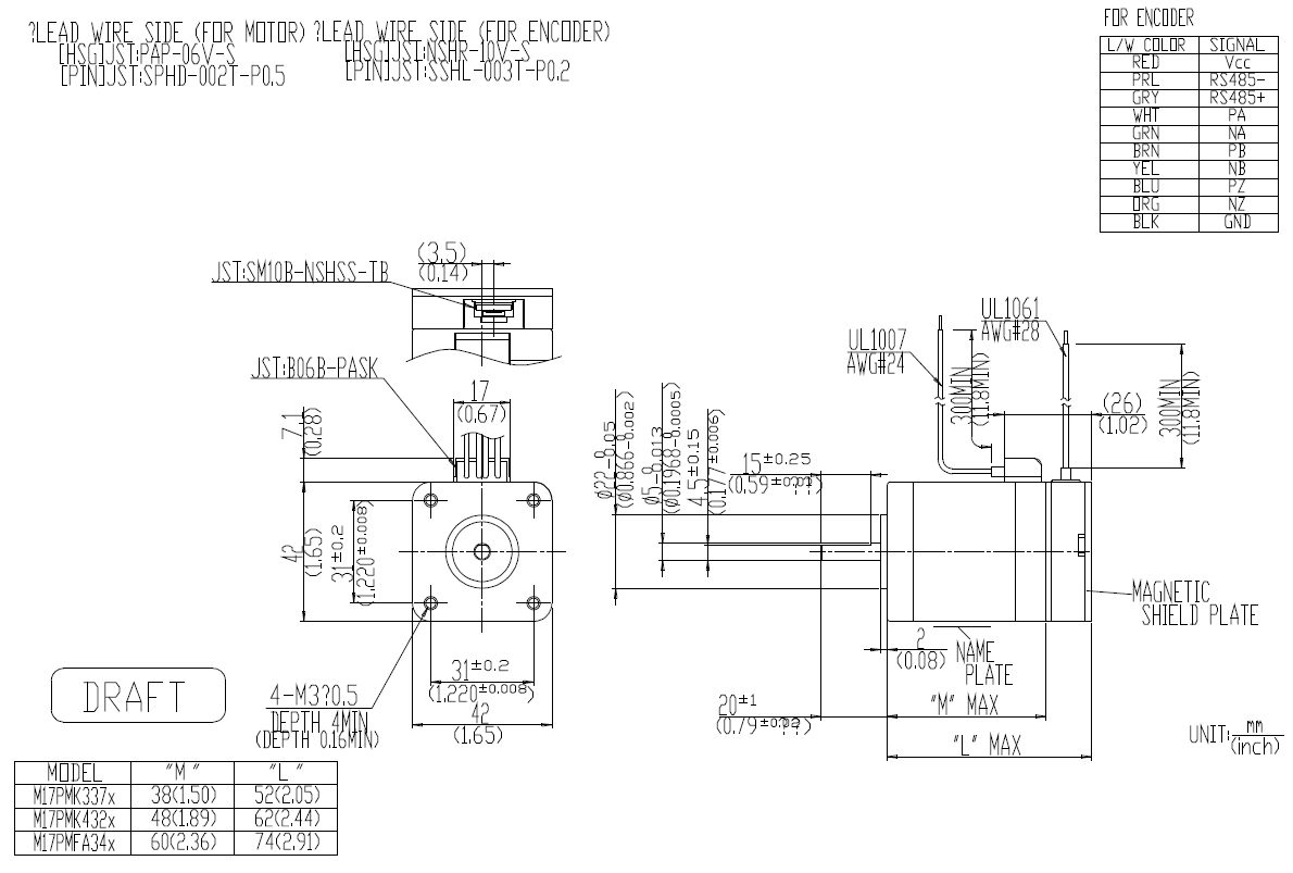
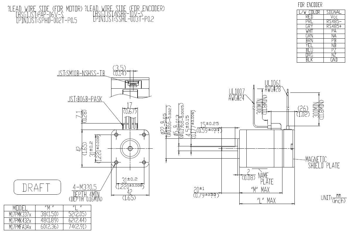
| M17PMK337CSMA00 | 42 | 52 | 2 | 0.9 | 290 | 50 | 11 | 16000 | 320 | 1000 |
| M17PMK432CSMA00 | 42 | 62 | 2 | 1.2 | 510 | 75 | 16.7 | 16000 | 420 | 1000 |
| M17PMFA34CSMA00 | 42 | 74 | 2.6 | 1 | 690 | 162 | 30 | 16000 | 580 | 1000 |
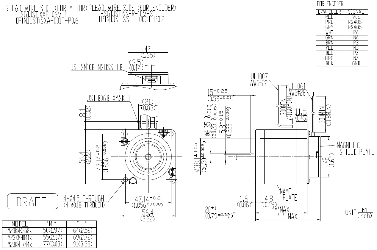
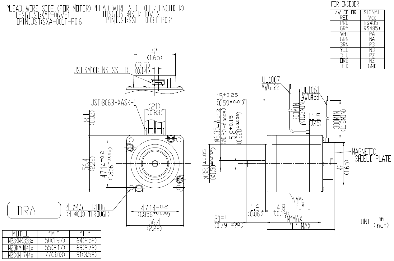
| M23KMK358CSMA00 | 56.4 | 64 | 1.7 | 1.9 | 800 | 180 | 29 | 16000 | 660 | 1000 |
| M23KMH041CSMA00 | 56.4 | 69 | 2 | 0.9 | 1300 | 320 | 54 | 16000 | 750 | 1000 |
| M23KMK744CSMA00 | 56.4 | 91 | 3 | 0.7 | 1800 | 490 | 93 | 16000 | 1130 | 1000 |
Motor Overall View
□28
□42
□56
Torque/Speed Characteristics
Connection Diagram
Download
Product customizations by MinebeaMitsumi
We customize products through technological consultations, sample productions, optional functionalities, and other forms of support we offer to meet your demands.

