Characteristic
Reference Characteristics
| Outer Diameter [mm] |
Length [mm] |
Magnet Material | Insulation Resistance (M) [Ω/min] |
Dielectric Strength (AC) [V/min] |
Carrent/Phase(Peak) [mA] |
Drive Method | Resistance [Ω] |
Class of Insulation | Operating Temp. lower limit [deg.C] |
Operating Temp. upper limit [deg.C] |
Storage Temp. lower limit [deg.C] |
Storage Temp. upper limit [deg.C] |
Operating Hum. RH lower limit [%] |
Operating Hum. RH upper limit [%] |
|---|---|---|---|---|---|---|---|---|---|---|---|---|---|---|
| 15.0 | 22.50 | Nd-Fe-B bonded magnet (MS70) | 100 | 500 | 300 | 2-2 phase | 10.0 | Class E(Except lead wire) | 0 | 50 | -30 | 80 | 20 | 90 |
*Bipolar only. Unipolar is not available.
Torque Characteristic
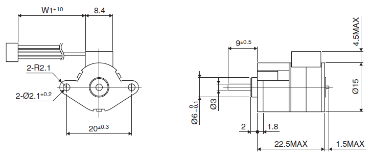
Overall View
Specifications
| Model | Drive Circuit | Drive Voltage [V] |
Gear Ratio [1:X] |
Step Angle [°] |
|---|
Applications
Home electric appliances: Air-conditioners
OA Equipment: Printers / Photocopiers
Power Tools: Drills / Drivers
Download
Catalog
CAD
Product customizations by MinebeaMitsumi
We customize products through technological consultations, sample productions, optional functionalities, and other forms of support we offer to meet your demands.

