Characteristic
Reference Characteristics
| Outer Diameter [mm] |
Magnet Material | Insulation Resistance (M) [Ω/min] |
Dielectric Strength (AC) [V/min] |
Carrent/Phase(Peak) [mA] |
Drive Method | Resistance/Phase [Ω] |
Insulation resistance | Dielectric Strength | Class of Insulation | Temparature Rise MAX [deg.C] |
Ambient Temperature Range lower limit [deg.C] |
Ambient Temperature Range upper limit [deg.C] |
Radial Play [mm] |
Radial Play Note | Axial Play [mm] |
|---|---|---|---|---|---|---|---|---|---|---|---|---|---|---|---|
| 25.0 | Nd-Fe-B bonded magnet (MS70) | 100 | 500 | 400 | 2-2 phase | 4.0 | 100M[Ω]Min. at DC500[V] | AC500[V] 1[min] | Class E(Except lead wire) | 65 | -10 | 50 | 0.03 | *6[mm] from flange | 0.25 |
Torque Characteristic
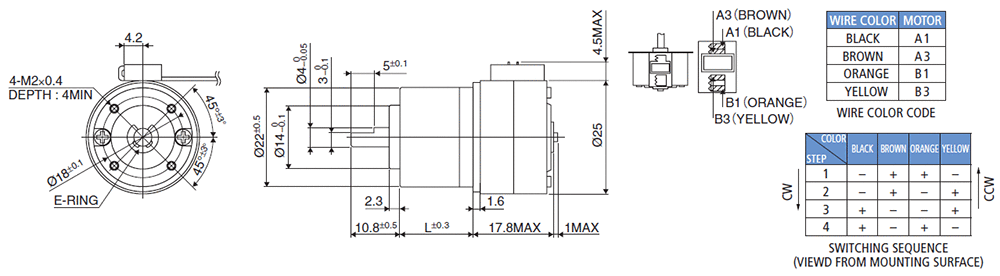
Overall View
Specifications
| Model | Drive Circuit | Drive Voltage [V] |
Current/Phase [mA] |
Drive IC | Gear Ratio [1:X] |
Step Angle [°] |
Rated Torque [mN・m] |
Rated Torque [gf・cm] |
Maximum Instantaneous Torque [mN・m] |
Maximum Instantaneous Torque [gf・cm] |
Gearhead length L1 [mm] |
|---|
Applications
Optical Equipment:Projector / Security Camera
Medical Equipment:Blood Analyzer / Tube Pump
Industrial Equipment:Flow Control Valves / Antenna
Adjustment Device
Power Tools:Drills / Drivers
Download
Catalog
Product customizations by MinebeaMitsumi
We customize products through technological consultations, sample productions, optional functionalities, and other forms of support we offer to meet your demands.

