Characteristic
Reference Characteristics
| Outer Diameter [mm] |
Magnet Material | Insulation Resistance (M) [Ω/min] |
Dielectric Strength (AC) [V/min] |
Drive Method | Resistance/Phase [Ω] |
Insulation resistance | Dielectric Strength | Class of Insulation | Ambient Temperature Range lower limit [deg.C] |
Ambient Temperature Range upper limit [deg.C] |
Radial Play [mm] |
Axial Play [mm] |
|---|---|---|---|---|---|---|---|---|---|---|---|---|
| 8.0 | Nd-Fe-B bonded magnet (N51) | 1 | 100 | 2-2 phase | 21.0 | 1M[Ω]Min. at DC100[V] | AC100[V] 1[min] | Class E(Except lead wire) | -10 | 50 | 0.10 | 0.20 |
Torque Characteristic
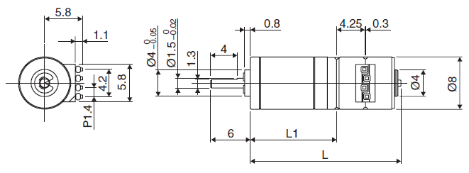
Overall View
Specifications
| Model | Drive Circuit | Drive Voltage [V] |
Current/Phase [mA] |
Drive IC | Gear Ratio [1:X] |
Step Angle [°] |
Rated Torque [mN・m] |
Rated Torque [gf・cm] |
Maximum Instantaneous Torque [mN・m] |
Maximum Instantaneous Torque [gf・cm] |
Gearhead length L1 [mm] |
Full length L [mm] |
|---|
*PG8L-K20-1024 : Please contact us due to specialty.
Applications
Optical Equipment:Projector / Security Camera
Medical Equipment:Blood Analyzer / Tube Pump
Industrial Equipment:Flow Control Valves / Antenna
Adjustment Device
Power Tools:Drills / Drivers
Download
Catalog
CAD
Product customizations by MinebeaMitsumi
We customize products through technological consultations, sample productions, optional functionalities, and other forms of support we offer to meet your demands.

