Characteristic
      Reference Characteristics
| Outer Diameter [mm]  | 
          		Length [mm]  | 
          		Step No. | Magnet Material | Insulation Resistance (M) [Ω/min]  | 
          		Dielectric Strength (AC) [V/min]  | 
          		Step Angle [deg]  | 
          		Drive Method | Class of Insulation | Operating Temp. lower limit [deg.C]  | 
          		Operating Temp. upper limit [deg.C]  | 
          		Storage Temp. lower limit [deg.C]  | 
          		Storage Temp. upper limit [deg.C]  | 
          		Operating Hum. RH lower limit [%]  | 
          		Operating Hum. RH upper limit [%]  | 
          	
            
            
|---|---|---|---|---|---|---|---|---|---|---|---|---|---|---|
| 35.0 | 15.50 | 48 | Ferrite plastic magnet(MSPL) Polar anisotropy ferrite sintered magnet(MS50) Nd-Fe-B bonded magnet(MS70)  | 
          		100 | 500 | 7.50 | 2-2 phase | CLASS E | -10 | 50 | -30 | 80 | 20 | 90 | 
Torque Characteristic
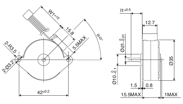
      Overall View
      Specifications
| Drive Circuit | Drive Voltage [V]  | 
          Current/Phase [mA]  | 
          Coil Resistance/Phase [Ω]  | 
          Drive IC | 
|---|
Applications
OA Equipment:Printers / Scanners
Industrial equipment:Flow control valves
Automotive:Maters / Optic axis control device
Home automation appliances:Sewing machines
Download
Catalog
CAD
Product customizations by MinebeaMitsumi
We customize products through technological consultations, sample productions, optional functionalities, and other forms of support we offer to meet your demands.

