It is a compact tactile feedback device that can express a wide range of tactile sensations and convert audio sources, such as games, into immersive feelings. The LVC series achieves clear vibrations across a wide frequency range by suppressing higher-order resonances through its unique spring and damping structures. Additionally, it can produce sound by directly vibrating surfaces such as panels, allowing the addition of speaker functionality while minimizing its impact on the design by mounting it on the back of the housing.

Outline

The LVC (Linear Vibration Components) series achieves wideband and clear vibrations by suppressing higher-order resonances through its unique spring and damping structures. It also applies the principle of voice coil (VCM) and can produce sound by directly vibrating surfaces such as panels. This allows for the addition of speaker functionality while minimizing the impact on the design by mounting it on the back of the housing.

[Application Examples]
Controllers for gaming consoles, Massage devices

  • Type LVC
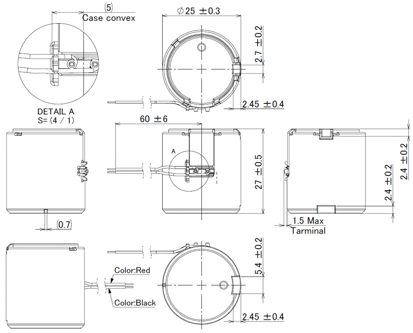
    Outline dimensions Φ25.0mm×H27.0mm
    Rated resonant frequency
    [Hz]
    75
    Rated acceleration
    [Gpp]
    1.8Gpp(200g)
    Rated input voltage
    [Vrms]
    1.2
    Rated current at 300Hz
    [mArms]
    260 MAX
    Power consumption at 300Hz
    [mW]
    360 MAX
    Terminal resistance
    [Ω]
    6.0
    Rise time
    [msec]
    ≦80(0Gto0.9G)
    Fall time
    [msec]
    ≦100(MAX Gto0.2G)

Featured Products

Download

CAD

Industry

Contact Us

Please click the inquiry type below according to your question. Each product / sales representative will respond to you.