多彩な触覚を表現でき、ゲームなどの音源を臨場感のあるフィーリングに変換可能な小型の触覚フィードバックデバイスです。LVCシリーズでは独自のバネ構造・減衰構造により高次共振を抑制してワイドバンドでクリアな振動を実現します。 また、パネルなどの面を直接振動させることによって音を出すことができるため、筐体の裏に取り付けることで意匠に与える影響を抑えながらスピーカー機能を追加することができます。

概要

LVC -Linear Vibration Components-シリーズは独自のバネ構造・減衰構造により高次共振を抑制してワイドバンドでクリアな振動を実現します。 また、ボイスコイル(VCM)の原理を応用しており、 パネルなどの面を直接振動させることによって音を出すことができるため、筐体の裏に取り付けることで意匠に与える影響を抑えながらスピーカー機能を追加することができます。

  • 方式 LVC
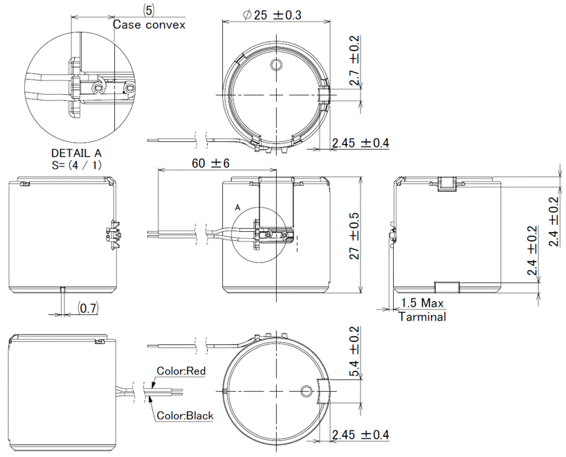
    外形寸法 Φ25.0mm×H27.0mm
    共振周波数
    [Hz]
    75
    加速度特性
    [Gpp]
    1.8Gpp(200g)
    定格入力電圧
    [Vrms]
    1.2
    定格電流 at 300Hz
    [mArms]
    260 MAX
    消費電力 at 300Hz
    [mW]
    360 MAX
    直流抵抗
    [Ω]
    6.0
    立上がり時間
    [msec]
    ≦80(0Gto0.9G)
    立下がり時間
    [msec]
    ≦100(MAX Gto0.2G)

  • CADデータ

注目製品

ダウンロード

産業分野(用途)から探す

サポート・お問い合わせ

各種製品に関するお問い合わせや技術的なご質問、各種資料のお取り寄せなど、各製品担当者がお答えいたします。