General Specifications
Motor Protection:Auto Restart / Polarity Protection
Insulation Resistance:10M ohm or over with a DC500V Megger
Dielectric Withstand Voltage:AC700V 1s
Allowable Ambient Temperature Range :-10deg.C - +70deg.C (Operating)
-40deg.C - +70deg.C (Storage)
non-condensing environment
Specifications
| Model | Product No | Nominal Voltage [V] |
Operating Voltage lower limit [V] |
Operating Voltage upper limit [V] |
Current [A] |
Input Power [W] |
Speed [min-1] |
Max. Air Flow [m3/min] |
Max. Air Flow [CFM] |
Max. Static Pressure [Pa] |
Max. Static Pressure [In H2O] |
Noise [dB] |
Mass [g] |
|---|
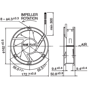
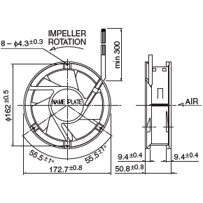
Rotation: Counterclockwise as seen from the label side
Airflow Outlet: Label side
*1: Average Values in Free Air
Outline
Panel Out-cuts
Characteristic Curves
Expected Life
25deg.C 100,000 Hours *Failure Rate 10% (L10 Life)
Material
Casing:Aluminum (Black Painting)
Impeller:Plastic (Black) UL94V-0
Bearing:Ball
BearingLead Wire:UL10368 AWG22 +: Red, -: Black
* Customize service for IP compatible type and Oil-proof type is available for this item.
Please contact to our sales representative for more detail.
