厳しい環境下でも安定した性能を達成するように設計され、
使用用途によって、耐塵性、耐湿性、耐水性、耐油性の個別対応可能です。
一般仕様
モーター保護:自動復帰方式、逆接続防止
絶縁抵抗:DC 500V メガにて10M Ω以上
絶縁耐圧:AC 700V 1s
許容環境温度範囲:-10℃ ~ +70℃ (Operating)
-40℃ ~ +70℃ (Storage)
実用上さしつかえない状態で結露無きこと
-
-
以下のテーブル内の矢印アイコンを押下していただくと、昇順から降順と順番に切り替わります。
スクロールできます
型式
管理番号
定格電圧
[V]使用電圧範囲
下限
[V]使用電圧範囲
上限
[V]定格電流
[A]定格入力
[W]定格回転速度
[min-1]最大風量
[m3/min]最大風量
[CFM]最大静圧
[Pa]最大静圧
[In H2O]騒音
[dB]質量
[g]17250VA-24P-EA-00 00 24 18.0 26.4 1.10 26.40 3750 8.00 282.00 232.0 0.93 56.0 830.0 17250VA-24Q-EA-00 00 24 18.0 26.4 1.30 31.20 4000 8.50 300.00 267.0 1.07 58.0 830.0 17250VA-24R-EA-00 00 24 18.0 26.4 1.80 43.20 4600 9.80 346.00 312.0 1.25 62.0 830.0 17250VA-48P-EA-00 00 48 38.0 52.8 0.55 26.40 3750 8.00 282.00 232.0 0.93 56.0 830.0 17250VA-48Q-EA-00 00 48 38.0 52.8 0.65 31.20 4000 8.50 300.00 267.0 1.07 58.0 830.0 17250VA-48R-EA-00 00 48 38.0 52.8 0.90 43.20 4600 9.80 346.00 312.0 1.25 62.0 830.0 回転方向:ラベルから見て反時計方向
風吹き出し方向:ラベル側
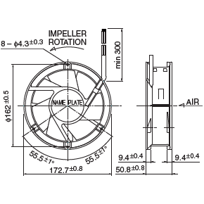
*1:Average Values in Free Air外観図
取付穴参考寸法
特性曲線
-
25℃ 100,000時間 ※故障率10% (L10 Life)
-
ケーシング:アルミニウム(黒塗装)
インペラー:プラスチック(ブラック)UL94V-0
軸受:ボールベアリング
リード線:UL10368 AWG22 +: 赤 -: 黒
* IP対応、耐油タイプにつきましては、カスタム対応にて製作可能です。
詳しくはお問い合わせください。 -
関連データ
注目製品
ミネベアミツミのファンモーターが選ばれる理由

