Features
Specifications
| Model | Outer Diameter [mm] |
Step Angle [°] |
Drive Sequence | Rated Current [A] |
Resistance [Ω] |
Holding Torque [mN・m] |
Inductance [mH] |
|---|
Lead Screw Specifications
| Model | Length [mm] |
Linear Travel / Step [mm] |
Lead [mm] |
|---|
*Various screw lengths are available.
Properties of Thrust-force
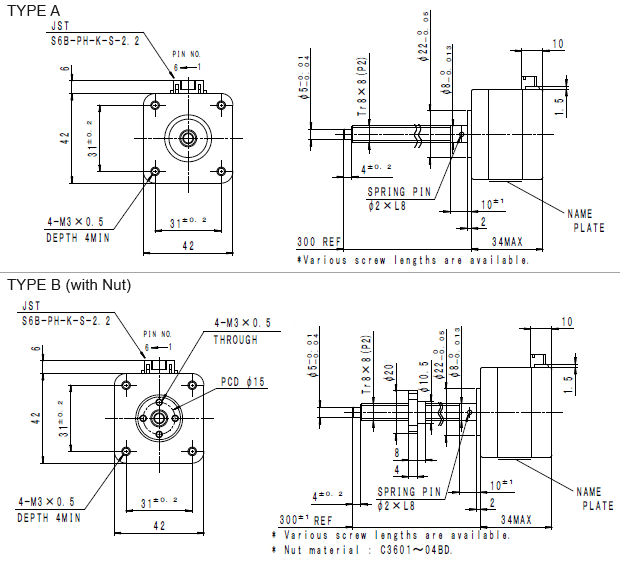
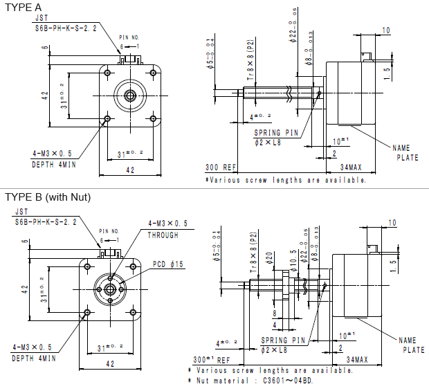
Overall View
Wiring Diagram Image
Wiring Diagram
| PHASE | A | A COM | A/ | B | B COM | B/ |
|---|---|---|---|---|---|---|
| PIN NO. | 4 | 5 | 6 | 3 | 2 | 1 |
Applications
3D Printers: Suitable for Z-axis
Download
Associated Data
Product customizations by MinebeaMitsumi
We customize products through technological consultations, sample productions, optional functionalities, and other forms of support we offer to meet your demands.

