モーター軸とリードスクリューが一体となった構造です。
リードスクリュー装着の為のカップリングが不要で、作業工程の簡略化を実現。一体型構造のコンパクトなデザインが、装置の設計に、より高い自由度を提供します。
3DプリンターのZ軸向け用途など、多くご採用いただいています。
-
-
以下のテーブル内の矢印アイコンを押下していただくと、昇順から降順と順番に切り替わります。
スクロールできます
型式
外径
[mm]ステップ角
[°]ドライブ方式
定格電流
[A]巻線抵抗
[Ω]ホールディングトルク
[mN・m]インダクタンス
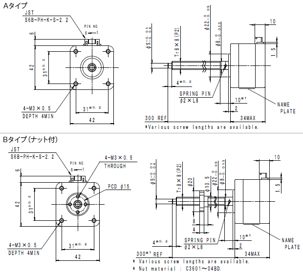
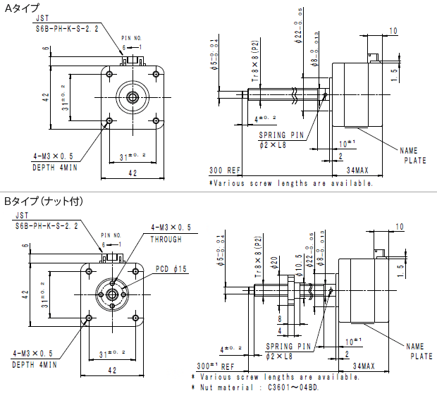
[mH]L17PMK049U 42.0 1.800 UNI-POLAR 1.00 3.20 200 3.20 L17PMK049B 42.0 1.800 BI-POLAR 0.70 6.40 270 12.80 リードスクリュー仕様
以下のテーブル内の矢印アイコンを押下していただくと、昇順から降順と順番に切り替わります。
スクロールできます
型式
長さ
[mm]1ステップ移動量
[mm]リード
[mm]L17PMK049U 300 REF. 0.04 8.0 L17PMK049B 300 REF. 0.04 8.0 ※リードスクリューの長さ変更対応可能です。
-
-
-
-
スクロールできます
相(PHASE)
A
A COM
A/
B
B COM
B/
ピン番号(PIN NO.) 4 5 6 3 2 1 -
3Dプリンター: Z軸に最適です
-
関連データ
注目製品
ミネベアミツミのモーターが選ばれる理由
幅広い製品群とグローバルでの開発・生産体制でモノづくりに貢献

