We offer compact and thin type push switches with excellent click feel for small electronic devices.
Wide variety of tactile switches are available, including dustproof and waterproof types.
Features
1. Minimized mounting area.
2. Using the stainless steel metal dome with long life and sharp feeling.
3. Suitable for mounting a narrow key pitch.
4. Suitable for SMT reflow soldering.
-
-
1. For small electronic equipment.
-
Rating (Resistive load) DC12V, 50mA Contact Resistance 1Ω or less Insulation resistance 10MΩ or more Withstand Voltage 1 minute at AC 100V Life 100,000cycles Pcs/Reel SOF-242HST : 5,000
SOF-242HNT : 5,000
SOF-262HST : 5,000
SOF-262HNT : 5,000
SOF-232HST : 4,000
SOF-232HNT : 4,000
SOF-268HFT : 5,000
SOF-269HFT : 5,000
-
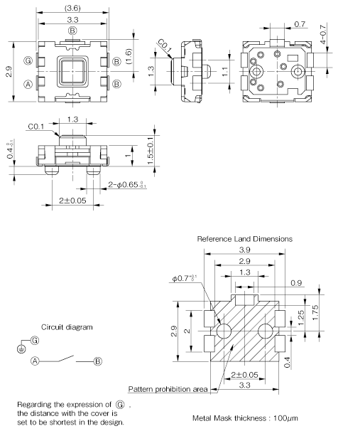
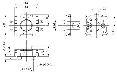
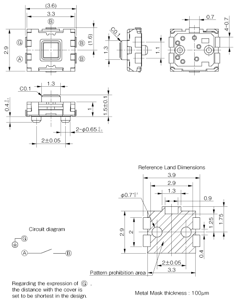
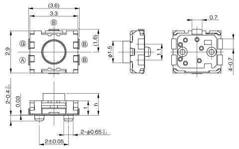
Circle button
Square button
Unit:mm
-
*Any products mentioned in this catalog are subject to any modification in their appearance and others for improvements without prior notification.
*The details listed here are not a guarantee of the individual products at the time of ordering. When using the products, you will be asked to check their specifications. -
Associated Data
Download
Industry
Tactile Switches
Slide Switches
Switch Sheet
Tactile Switches
Switch Sheet
Tactile Switches
Switch Sheet
Tactile Switches
Tactile Switches
Switch Sheet
Switch Sheet
Slide Switches
Tactile Switches
Slide Switches
Switch Sheet
Tactile Switches
Slide Switches
Tactile Switches
Slide Switches
Switch Sheet
Tactile Switches
Switch Sheet
Tactile Switches
Switch Sheet
Tactile Switches
Switch Sheet
Tactile Switches
Slide Switches
Switch Sheet
Contact Us
Please click the inquiry type below according to your question. Each product / sales representative will respond to you.