1. ベアリング
  2. ブッシング

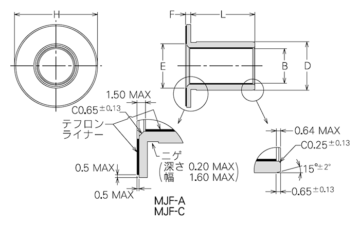
MJF-A, MJF-C

スリーブ PTFEライナー フランジタイプ

非自己調心型軸受であるスリーブベアリングは、航空機分野から産業機械に至るまで幅広く使用されています。滑り面にはグリース等の潤滑剤を不要とするPTFEライナーを張り、色々なサイズの製品を揃えております。また、特殊用途にご使用頂く場合は、弊社営業部門まで問い合わせください。

製品の特徴

無潤滑で使用できます。

  • 単位:mm

    以下のテーブル内の矢印アイコンを押下していただくと、昇順から降順と順番に切り替わります。

    スクロールできます

    型式番号

    oB*1 0/-0.025

    øD*2

    F 0/-0.13

    øH 0/-0.5

    øE 0/-0.5

    質量(アルミニウム)
    [g]

    質量(ステンレス鋼)
    [g]

    L5 ±0.2

    L6 ±0.2

    L7 ±0.2

    L8 ±0.2

    L9 ±0.2

    L10 ±0.2

    L12 ±0.2

    L14 ±0.2

    L16 ±0.2

    L18 ±0.2

    L20 ±0.2

    L22 ±0.3

    L24 ±0.3

    L26 ±0.3

    L28 ±0.3

    L30 ±0.3

    L32 ±0.3

    L34 ±0.3

    L36 ±0.3

    L38 ±0.3

    L40 ±0.3

    L42 ±0.3

    L44 ±0.3

    L46 ±0.3

    L48 ±0.3

    L50 ±0.3

    L52 ±0.5

    L54 ±0.5

    L56 ±0.5

    L58 ±0.5

    L60 ±0.5

    L62 ±0.5

    L64 ±0.5

    L66 ±0.5

    L68 ±0.5

    L70 ±0.5

    L72 ±0.5

    L74 ±0.5

    L76 ±0.5

    L78 ±0.5

    L80 ±0.5

    MJ06 6.035 10 1.5 19 8.5 1.08+0.14×L 3.01+0.40×L 5 6 7 8 9 10
    MJ08 8.035 11 1.5 20 10.5 1.11+0.13×L 3.11+0.35×L 5 6 7 8 9 10 12 14
    MJ09 9.035 13 1.5 22 11.5 1.33+0.20×L 3.73+0.54×L 5 6 7 8 9 10 12 14 16 18 20
    MJ10 10.035 14 1.5 24 12.5 1.57+0.21×L 4.40+0.59×L 5 6 7 8 9 10 12 14 16 18 20 22 24
    MJ12 12.035 16 1.5 25 14.5 1.59+0.25×L 4.45+0.69×L 5 6 7 8 9 10 12 14 16 18 20 22 24 26
    MJ14 14.035 18 1.5 28 16.5 1.94+0.28×L 5.43+0.79×L 5 6 7 8 9 10 12 14 16 18 20 22 24 26 28 30
    MJ16 16.035 20 1.5 32 18.5 2.53+0.32×L 7.10+0.89×L 5 6 7 8 9 10 12 14 16 18 20 22 24 26 28 30 32 34
    MJ18 18.035 22 1.5 35 20.5 2.97+0.35×L 8.33+0.98×L 5 6 7 8 9 10 12 14 16 18 20 22 24 26 28 30 32 34 36
    MJ20 20.035 24 1.5 38 22.5 3.44+0.39×L 9.65+1.08×L 5 6 7 8 9 10 12 14 16 18 20 22 24 26 28 30 32 34 36 38
    MJ22 22.035 27 1.5 41 24.5 3.95+0.54×L 11.06+1.51×L 5 6 7 8 9 10 12 14 16 18 20 22 24 26 28 30 32 34 36 38 40 42 44
    MJ25 25.035 30 1.5 45 27.5 4.62+0.61×L 12.94+1.69×L 5 6 7 8 9 10 12 14 16 18 20 22 24 26 28 30 32 34 36 38 40 42 44 46 48 50
    MJ28 28.035 33 2.5 48 30.5 8.35+0.67×L 23.40+1.87×L 8 9 10 12 14 16 18 20 22 24 26 28 30 32 34 36 38 40 42 44 46 48 50 52 54 56 58 60
    MJ32 32.035 37 2.5 50 34.5 8.11+0.76×L 22.72+2.12×L 8 9 10 12 14 16 18 20 22 24 26 28 30 32 34 36 38 40 42 44 46 48 50 52 54 56 58 60
    MJ35 35.035 40 2.5 54 37.5 9.29+0.82×L 26.03+2.30×L 10 12 14 16 18 20 22 24 26 28 30 32 34 36 38 40 42 44 46 48 50 52 54 56 58 60 62 64 66 68 70
    MJ38 38.035 45 2.5 57 40.5 9.91+1.28×L 27.79+3.57×L 10 12 14 16 18 20 22 24 26 28 30 32 34 36 38 40 42 44 46 48 50 52 54 56 58 60 62 64 66 68 70
    MJ40 40.035 48 2.5 60 42.5 10.99+1.55×L 30.79+4.33×L 16 18 20 22 24 26 28 30 32 34 36 38 40 42 44 46 48 50 52 54 56 58 60 62 64 66 68 70 72 74 76 78 80
    MJ45 45.035 51 2.5 64 47.5 11.37+1.26×L 31.88+3.54×L 16 18 20 22 24 26 28 30 32 34 36 38 40 42 44 46 48 50 52 54 56 58 60 62 64 66 68 70 72 74 76 78 80
    MJ50 50.035 57 2.5 70 52.5 13.18+1.64×L 36.94+4.60×L 16 18 20 22 24 26 28 30 32 34 36 38 40 42 44 46 48 50 52 54 56 58 60 62 64 66 68 70 72 74 76 78 80
  • スクロールできます

    (型式番号)

    スリーブ

    ライナー

    MJF-A 高力アルミニウム合金/
    アノーダイズ又は化学皮膜処理
    TFE
    MJF-C 410ステンレス鋼 TFE
  • *1 内径寸法は栓ゲージにて管理されています。
    *2 公差:アルミニウム±0.013 ステンレス鋼 0/-0.013

    1. PTFEライナーはスリーブ内径面に接着されています。
    2. 本シリーズは受注生産となります。

    ※選定に当たってはミネベアミツミにご相談ください。

  • 関連データ

注目製品

ミネベアミツミのベアリングが選ばれる理由

世界シェアNo.1の実績を持つ超精密加工技術で幅広いニーズに対応します

サポート・お問い合わせ

各種製品に関するお問い合わせや技術的なご質問、各種資料のお取り寄せなど、各製品担当者がお答えいたします。