1. Coils, Transformers
  2. Power inductors
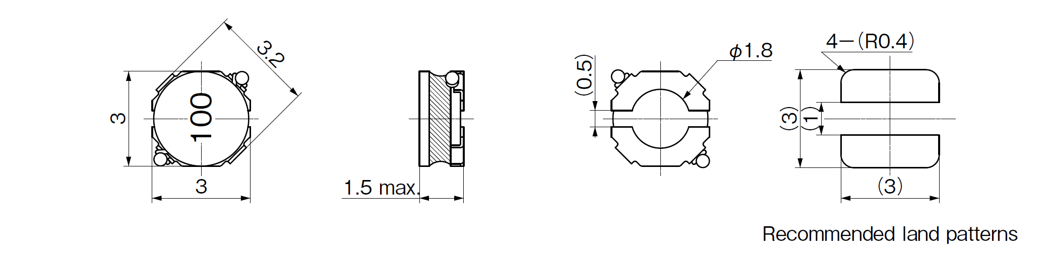
  3. CP Series

C3-P1.5R

RoHS AEC-Q200 Semi-Shielded structure

Compacts, low-height, and high current power inductor used in digital devices and mobile phones.
Several dimensions are available.

Features

1. Low DCR by magnetically shielded structure with magnetic resin.
2. Impact-resistant structure with wider terminals.
3. Non-Solder products by laser welding.

  • For DC-DC converter power supply of miniature portable devices (mobile phones, portable game equipment,
    DSC, DVC, etc.).

  • mm
  • Click the arrow icon in the table below to switch from ascending to descending order.

    scroll

    Size(W)
    [mm]

    Size(D)
    [mm]

    Length(H) Max
    [mm]

    Stamp

    Inductance
    [micro H]

    Inductance Tolerance
    lower limit
    [%]

    Inductance Tolerance
    upper limit
    [%]

    Inductance Test Freq.
    [KHz]

    DC Resistance
    [m OHM]

    Rated DC
    CurrentL=-30 percent
    [A]

    Rated DC
    Current deltaT=40K
    [A]

    3.0 3.0 1.5 1R5 1.50 -30 30 1 58.00 2.40 2.00
    3.0 3.0 1.5 1R8 1.80 -30 30 1 65.00 2.20 1.90
    3.0 3.0 1.5 2R7 2.70 -30 30 1 85.00 1.85 1.65
    3.0 3.0 1.5 3R3 3.30 -30 30 1 115.00 1.65 1.50
    3.0 3.0 1.5 3R9 3.90 -30 30 1 125.00 1.50 1.40
    3.0 3.0 1.5 4R7 4.70 -30 30 1 140.00 1.35 1.30
    3.0 3.0 1.5 5R6 5.60 -30 30 1 150.00 1.20 1.20
    3.0 3.0 1.5 6R8 6.80 -30 30 1 200.00 1.15 1.10
    3.0 3.0 1.5 8R2 8.20 -30 30 1 210.00 0.85 1.00
    3.0 3.0 1.5 100 10.00 -20 20 1 240.00 0.70 0.90
    3.0 3.0 1.5 120 12.00 -20 20 1 280.00 0.63 0.85
    3.0 3.0 1.5 150 15.00 -20 20 1 365.00 0.58 0.75
    3.0 3.0 1.5 180 18.00 -20 20 1 410.00 0.55 0.70
    3.0 3.0 1.5 220 22.00 -20 20 1 555.00 0.47 0.60
    3.0 3.0 1.5 270 27.00 -20 20 1 620.00 0.45 0.55
    3.0 3.0 1.5 330 33.00 -20 20 1 830.00 0.40 0.52
    3.0 3.0 1.5 390 39.00 -20 20 1 940.00 0.35 0.48
    3.0 3.0 1.5 470 47.00 -20 20 1 1050.00 0.33 0.45
  • scroll

    Q'ty
    [pcs./reel]

    Tape Dimensions A
    [mm]

    Tape Dimensions B
    [mm]

    Tape Dimensions C
    a
    [mm]

    Tape Dimensions C
    b
    [mm]

    Tape Dimensions D
    a
    [mm]

    Tape Dimensions D
    b
    [mm]

    Tape Dimensions E
    a
    [mm]

    Tape Dimensions E
    b
    [mm]

    Tape Dimensions F
    a
    [mm]

    Tape Dimensions F
    b
    [mm]

    Tape Dimensions G
    a
    [mm]

    Tape Dimensions G
    b
    [mm]

    Tape Dimensions H
    a
    [mm]

    Tape Dimensions H
    b
    [mm]

    Reel Dimensions I
    a
    [mm]

    Reel Dimensions I
    b
    [mm]

    Reel Dimensions J
    b
    [mm]

    Reel Dimensions K
    a
    [mm]

    Reel Dimensions K
    b
    [mm]

    4000 3.3 3.3 9.5 0.2 12 0.3 8 0.1 5.5 0.1 1.7 1.7 0.3 0.05 φ 330 φ 2 1 13.5 1

Contact Us

Please click the inquiry type below according to your question. Each product / sales representative will respond to you.