デジタル機器や携帯電話等に使用される、小型、 低背、大電流のチョークコイル。 高さ1.0mm ~シリーズ化しました。

特長

1. 巻線部を磁性樹脂封止した閉磁路構造により低DCRを実現。
2. 幅広端子を使用した耐衝撃性構造。
3. はんだレス(レーザー接合)。

  • 小型携帯機器(携帯電話、携帯ゲーム機、DSC、DVC、etc.)のDC-DCコンバータ電源回路用。

  • mm
  • 以下のテーブル内の矢印アイコンを押下していただくと、昇順から降順と順番に切り替わります。

    スクロールできます

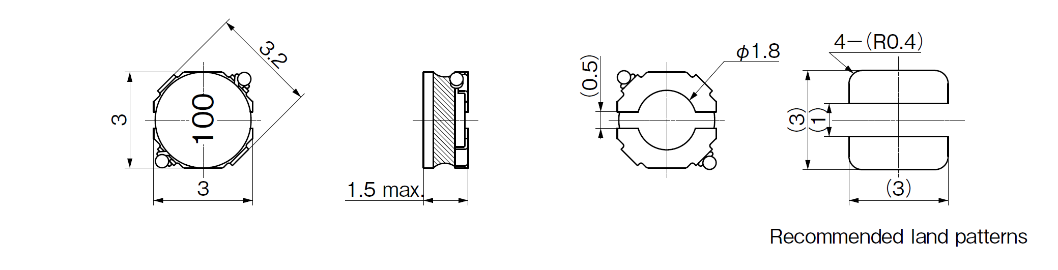
    寸法(W)
    [mm]

    寸法(D)
    [mm]

    寸法(H) Max
    [mm]

    捺印

    インダクタンス
    [μH]

    インダクタンス公差
    下限
    [%]

    インダクタンス公差
    上限
    [%]

    インダクタンスTest Freq.
    [KHz]

    直流抵抗
    [mΩ]

    定格電流
    L=-30%
    [A]

    定格電流
    ⊿T=40K
    [A]

    3.0 3.0 1.5 1R5 1.50 -30 30 1 58.00 2.40 2.00
    3.0 3.0 1.5 1R8 1.80 -30 30 1 65.00 2.20 1.90
    3.0 3.0 1.5 2R7 2.70 -30 30 1 85.00 1.85 1.65
    3.0 3.0 1.5 3R3 3.30 -30 30 1 115.00 1.65 1.50
    3.0 3.0 1.5 3R9 3.90 -30 30 1 125.00 1.50 1.40
    3.0 3.0 1.5 4R7 4.70 -30 30 1 140.00 1.35 1.30
    3.0 3.0 1.5 5R6 5.60 -30 30 1 150.00 1.20 1.20
    3.0 3.0 1.5 6R8 6.80 -30 30 1 200.00 1.15 1.10
    3.0 3.0 1.5 8R2 8.20 -30 30 1 210.00 0.85 1.00
    3.0 3.0 1.5 100 10.00 -20 20 1 240.00 0.70 0.90
    3.0 3.0 1.5 120 12.00 -20 20 1 280.00 0.63 0.85
    3.0 3.0 1.5 150 15.00 -20 20 1 365.00 0.58 0.75
    3.0 3.0 1.5 180 18.00 -20 20 1 410.00 0.55 0.70
    3.0 3.0 1.5 220 22.00 -20 20 1 555.00 0.47 0.60
    3.0 3.0 1.5 270 27.00 -20 20 1 620.00 0.45 0.55
    3.0 3.0 1.5 330 33.00 -20 20 1 830.00 0.40 0.52
    3.0 3.0 1.5 390 39.00 -20 20 1 940.00 0.35 0.48
    3.0 3.0 1.5 470 47.00 -20 20 1 1050.00 0.33 0.45
  • スクロールできます

    Q'ty
    [pcs./reel]

    Tape Dimensions A
    [mm]

    Tape Dimensions B
    [mm]

    Tape Dimensions C
    a
    [mm]

    Tape Dimensions C
    b
    [mm]

    Tape Dimensions D
    a
    [mm]

    Tape Dimensions D
    b
    [mm]

    Tape Dimensions E
    a
    [mm]

    Tape Dimensions E
    b
    [mm]

    Tape Dimensions F
    a
    [mm]

    Tape Dimensions F
    b
    [mm]

    Tape Dimensions G
    a
    [mm]

    Tape Dimensions G
    b
    [mm]

    Tape Dimensions H
    a
    [mm]

    Tape Dimensions H
    b
    [mm]

    Reel Dimensions I
    a
    [mm]

    Reel Dimensions I
    b
    [mm]

    Reel Dimensions J
    b
    [mm]

    Reel Dimensions K
    a
    [mm]

    Reel Dimensions K
    b
    [mm]

    4000 3.3 3.3 9.5 0.2 12 0.3 8 0.1 5.5 0.1 1.7 1.7 0.3 0.05 Φ330 Φ2 1 13.5 1

製品トピックス

産業分野(用途)から探す

サポート・お問い合わせ

各種製品に関するお問い合わせや技術的なご質問、各種資料のお取り寄せなど、各製品担当者がお答えいたします。