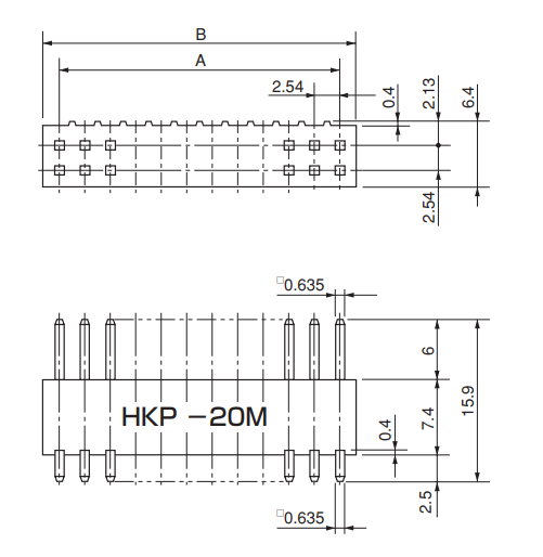
HKP Series
1.Pin removal is available
2.Pin length change is available
3.Optional keys to prevent incorrect insertion
*Please contact us for details.

【Model Description】
()・・・ Number of pins
*/#・・・ Product specification

※The P/N on the product is an abbreviated representation

  • Parts No. HKP-()M6
    Pin Count 4~70
    *Please contact us regarding availability of your desired number of pins.
    Pich
    [mm]
    2.54
    Mounting Method/
    Wiring method
    Straight DIP
    Current Rating
    [A/Pin]
    3
    Dielectric Withstanding
    Voltage
    1,000V A.C.(r.m.s.) for a minute
    Operating Temparature
    Min
    [deg.C]
    -40
    Operating Temparature
    Max
    [deg.C]
    105

  • The product information in this data is for reference only.
    This is subject to change without notice.
    Contact our sales staff for further information before considering or ordering any of our products.
    Please request the Engineering Drawing for the most current and accurate design information.

Featured Products

Industry

Contact Us

Please click the inquiry type below according to your question. Each product / sales representative will respond to you.