PI05 Series
1. Low height connector which can mount on PCB with Radial Taping
2. Inner Lock design, miniaturized connector
3. Bulk package has a "Boss" on the connector, Radial Taping package will not have "Boss" on the connector

【Model Description】
()・・・ Number of pins
*/#・・・ Product specification

※The P/N on the product is an abbreviated representation

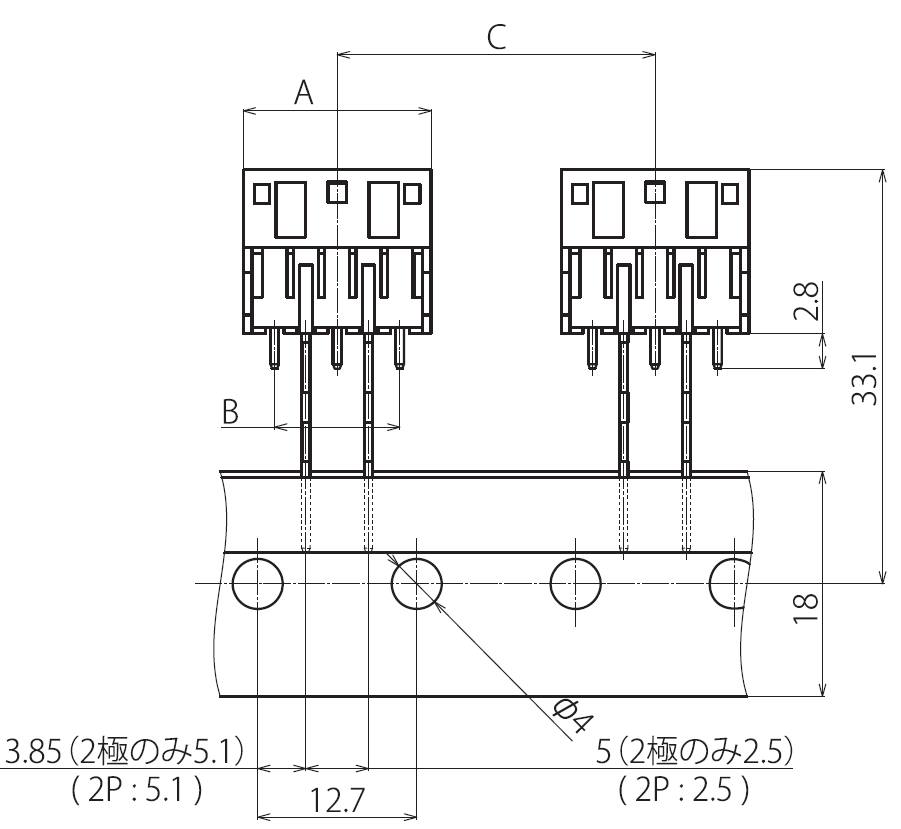
  • Parts No. PI05R1-()NA-02
    Pin Count 2~8
    Pich
    [mm]
    2.5
    Mounting Method/
    Wiring method
    Straight DIP
    Current Rating
    [A/Pin]
    3
    Dielectric Withstanding
    Voltage
    1000V A.C.(r.m.s.) for a minute
    Operating Temparature
    Min
    [deg.C]
    -40
    Operating Temparature
    Max
    [deg.C]
    100

  • The product information in this data is for reference only.
    This is subject to change without notice.
    Contact our sales staff for further information before considering or ordering any of our products.
    Please request the Engineering Drawing for the most current and accurate design information.

Featured Products

Industry

Contact Us

Please click the inquiry type below according to your question. Each product / sales representative will respond to you.