HDRP Series
1.HDR Series Current Capacity Upgraded Type
2.Identified by the color

【Model Description】
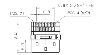
()・・・ Number of pins
*/#・・・ Product specification

※The P/N on the product is an abbreviated representation

  • Parts No. HDRP-E26MSG1+
    Pin Count 26
    Pich
    [mm]
    0.8
    Mounting Method/
    Wiring method
    Soldering
    Current Rating
    [A/Pin]
    1.2
    Operating Temparature
    Min
    [deg.C]
    -55
    Operating Temparature
    Max
    [deg.C]
    85

  • The product information in this data is for reference only.
    This is subject to change without notice.
    Contact our sales staff for further information before considering or ordering any of our products.
    Please request the Engineering Drawing for the most current and accurate design information.

Featured Products

Industry

Contact Us

Please click the inquiry type below according to your question. Each product / sales representative will respond to you.