LGC Series
1.JIS C 5973 compliant: SC type
2.Lock/unlock function: LC type
3.Shutter option available (for safety)

【Model Description】
()・・・ Number of pins
*/#・・・ Product specification

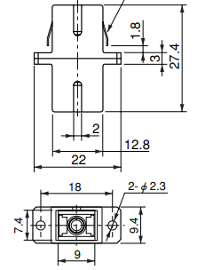
  • Parts No. LGC-A303
    Pin Count Single-core
    Mounting Method/
    Wiring method
    SC Adapter

  • The product information in this data is for reference only.
    This is subject to change without notice.
    Contact our sales staff for further information before considering or ordering any of our products.
    Please request the Engineering Drawing for the most current and accurate design information.

Featured Products

Industry

Contact Us

Please click the inquiry type below according to your question. Each product / sales representative will respond to you.