PCR Series
1.Miniaturization due to 1.27mm pitch
2.Locking mechanism can be selected w/ spring & screw lock
3.Cover case is die-cast or plastic type
【Model Description】
()・・・ Number of pins
*/#・・・ Product specification
※The P/N on the product is an abbreviated representation
-
-
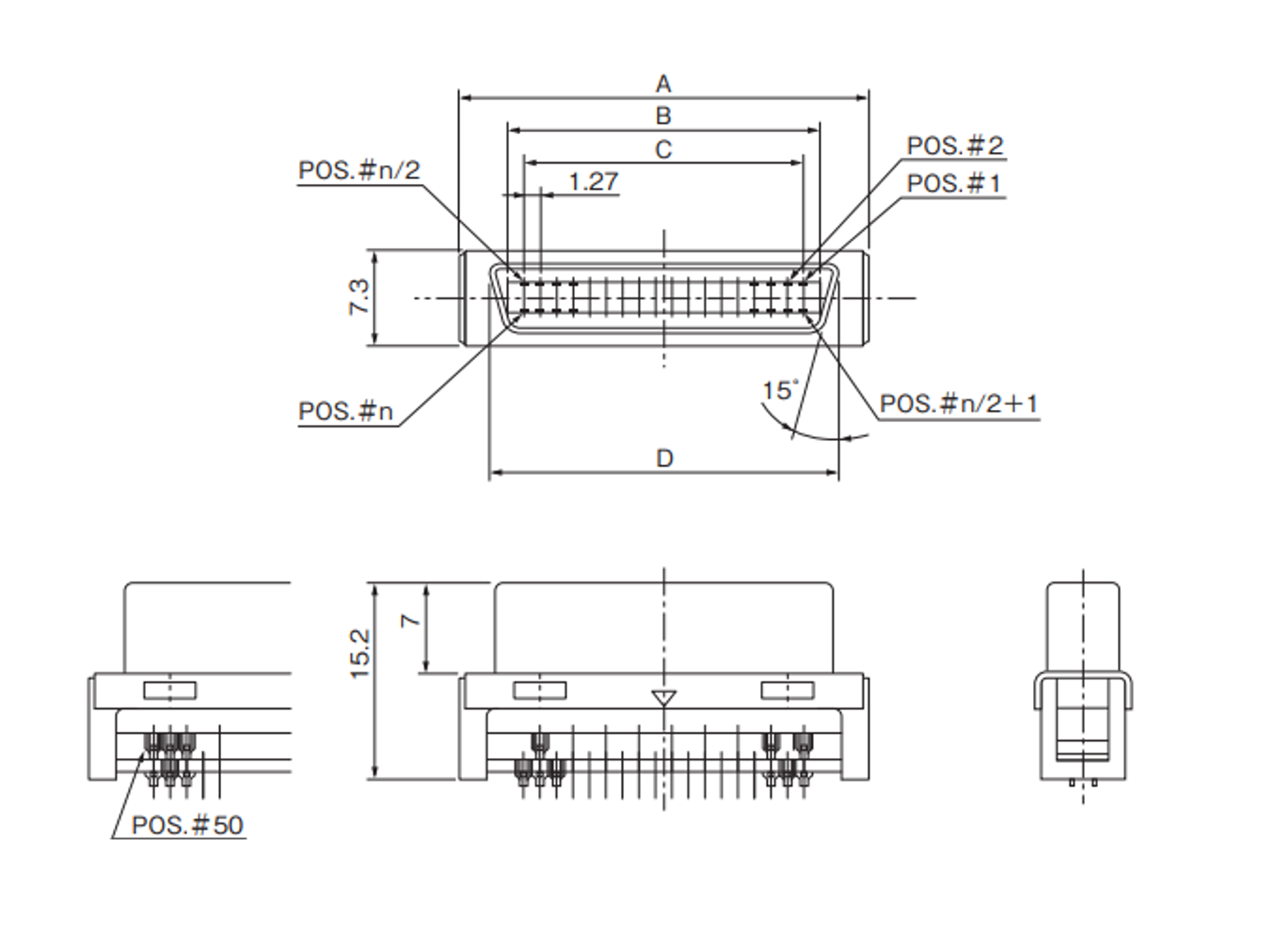
Parts No. PCR-E()FS+ Pin Count 20,28,36,50,68,96 Pich
[mm]1.27 Mounting Method/
Wiring methodSoldering Current Rating
[A/Pin]1 Dielectric Withstanding
Voltage500V A.C.(r.m.s.) for a minute Operating Temparature
Min
[deg.C]-40 Operating Temparature
Max
[deg.C]105
-
-
The product information in this data is for reference only.
This is subject to change without notice.
Contact our sales staff for further information before considering or ordering any of our products.
Please request the Engineering Drawing for the most current and accurate design information.
Featured Products
Contact Us
Please click the inquiry type below according to your question. Each product / sales representative will respond to you.