PCS Series
1. Cables are connected either by IDC or by soldering to meet the needs of our customers
2. Solid construction for interfaces
3. Lineup of accessories to prevent wrong insertion
【Model Description】
()・・・ Number of pins
*/#・・・ Product specification
※The P/N on the product is an abbreviated representation
-
-
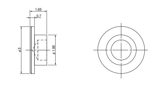
Parts No. PCS-E-PK+R Mounting Method/
Wiring methodKey rivet Operating Temparature
Min
[deg.C]-55 Operating Temparature
Max
[deg.C]105
-
-
The product information in this data is for reference only.
This is subject to change without notice.
Contact our sales staff for further information before considering or ordering any of our products.
Please request the Engineering Drawing for the most current and accurate design information.
Featured Products
Contact Us
Please click the inquiry type below according to your question. Each product / sales representative will respond to you.