1. スイッチ
  2. タクティールスイッチ
  3. 長寿命タクティールスイッチ

SOV Series

小型電子機器向けに、クリック感に優れた小型・薄型のプッシュスイッチを生産しています。防塵・防水タイプなど、多彩なタクティールスイッチをご用意しています。

特長

1. 長寿命(1,000,000回)。
2. ボタン付き仕様による安定した操作感を実現。

  • 携帯電話、スマートフォン、デジタルカメラ、ゲーム機等。

  • 定格(抵抗負荷) DC12V、50mA
    接触抵抗 1Ω以下
    絶縁抵抗 10MΩ以上
    耐電圧 AC100V、1分間
    寿命性 SOV-168HST, SOV-168HNT: 1,000,000回
    SOV-169HST, SOV-169HNT: 500,000回
    梱包単位 SOV-168HST: 5,000
    SOV-168HNT: 5,000
    SOV-169HST: 5,000
    SOV-169HNT: 5,000

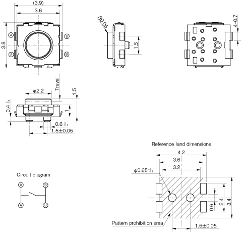
  • Unit:mm

  • ・記載された製品は改良などにより、外観及び記載事項の一部を予告なく変更することがあります。
    ・記載内容は実際にご注文される時点での個別の製品の仕様を保証するものではありませんので、ご使用にあたりましては、必ず製品仕様書・製品規格をご請求の上、確認して頂きますようお願い致します。

  • 関連データ

    CADデータ ダウンロード

ダウンロード

製品トピックス

産業分野(用途)から探す

サポート・お問い合わせ

各種製品に関するお問い合わせや技術的なご質問、各種資料のお取り寄せなど、各製品担当者がお答えいたします。