高静圧のシロッコ型ファンで、通風抵抗が大きい機器や局部冷却に最適です。
一般仕様
モーター保護:自動復帰方式、逆接続防止
絶縁抵抗:DC 500V メガにて10M Ω以上
絶縁耐圧:AC 700V 1s
許容環境温度範囲:
 -10℃ ~ +70℃ (Operating)
 -40℃ ~ +70℃ (Storage)
実用上さしつかえない状態で結露無きこと
- 
 - 
以下のテーブル内の矢印アイコンを押下していただくと、昇順から降順と順番に切り替わります。
スクロールできます
型式
管理番号
定格電圧
[V]使用電圧範囲
下限
[V]使用電圧範囲
上限
[V]定格電流
[A]定格入力
[W]定格回転速度
[min-1]最大風量
[m3/min]最大風量
[CFM]最大静圧
[Pa]最大静圧
[In H2O]騒音
[dB]質量
[g]07525GA-12L-AA-00 00 12 6.0 13.8 0.16 1.92 3000 0.22 7.80 94 0.38 39.0 90 07525GA-12M-AA-00 00 12 6.0 13.8 0.19 2.28 3300 0.24 8.50 124 0.50 41.0 90 07525GA-12N-AA-00 00 12 6.0 13.8 0.25 3.00 3600 0.27 9.50 153 0.61 43.0 90 07525GA-24L-AA-00 00 24 10.0 27.6 0.10 2.40 3000 0.22 7.80 94 0.38 39.0 90 07525GA-24M-AA-00 00 24 10.0 27.6 0.11 2.64 3300 0.24 8.50 124 0.50 41.0 90 07525GA-24N-AA-00 00 24 10.0 27.6 0.14 3.36 3600 0.27 9.50 153 0.61 43.0 90 回転方向:ラベルから見て時計方向
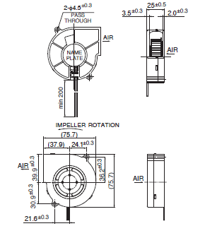
*1:Average Values in Free Air外観図
                  
特性曲線
                  
 - 
25℃ 70,000時間 ※故障率10% (L10 Life)
 - 
ケーシング:プラスチック(ブラック)UL94V-0
インペラー:プラスチック(ブラック)UL94V-0
軸受:ボールベアリング
リード線:UL1007 AWG26 +: 赤 -: 黒 - 
関連データ
 
ミネベアミツミのファンモーターが選ばれる理由
                         

