主に通信機器向けに開発されたモーターライズドインペラーです。
ミネベアミツミ製ボールベアリングを使用、三相駆動方式DCブラシレスモータで高信頼性を保っています。
強い風量、静圧が必要とされる箇所に使用されます。
環境対応(防塵・防水)した仕様製品も取り揃えています。
一般仕様
モーター保護:ロック保護、逆接続防止
絶縁抵抗:10MΩ以上、DC500V
絶縁耐圧:AC500V 1分
許容環境温度範囲:
 -30℃~+60℃ (F175G1-Operating)
 -30℃~+55℃ (F175G3-Operating)
 -40℃~+70℃ (Storage)
実用上さしつかえない状態で結露無きこと
IPコード:IP68
- 
 - 
以下のテーブル内の矢印アイコンを押下していただくと、昇順から降順と順番に切り替わります。
スクロールできます
型式
定格電圧
[V]使用電圧範囲
下限
[V]使用電圧範囲
上限
[V]定格電流
[A]定格入力
[W]回転速度
[rpm]最大風量
[m3/min]最大風量
[CFM]最大静圧
[Pa]最大静圧
[In H2O]騒音
[dB]質量
[g]F175G1-061-D0750 48 36 54 3.2 153.0 5100 15.1 533 1015 4.1 77 1200 F175G3-061-D0540 24 18 27 3.7 90.0 4200 13.5 476 740 2.9 73 1200 *1 Average values in free air and rated voltage condition.
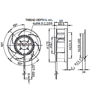
外観図
                  
取付穴参考寸法
                  
特性曲線
                  
 - 
40℃ 70,000時間 (L10)
 - 
インペラー:プラスチック
軸受:ボールベアリング
リード線:UL1430 AWG18 +: 赤 -: 黒
速度制御:黄
速度信号:白 - 
関連データ
 
ミネベアミツミのファンモーターが選ばれる理由
                         

