主に通信機器向けに開発されたモーターライズドインペラーです。
ミネベアミツミ製ボールベアリングを使用、三相駆動方式DCブラシレスモータで高信頼性を保っています。
強い風量、静圧が必要とされる箇所に使用されます。
環境対応(防塵・防水)した仕様製品も取り揃えています。
一般仕様
モーター保護:ロック保護、逆接続防止
絶縁抵抗:10MΩ以上、DC500V
絶縁耐圧:AC500V 1分
許容環境温度範囲:
 -30℃~+70℃(Operating)
 -40℃~+80℃(Storage)
実用上さしつかえない状態で結露無きこと
- 
 - 
以下のテーブル内の矢印アイコンを押下していただくと、昇順から降順と順番に切り替わります。
スクロールできます
型式
定格電圧
[V]使用電圧範囲
下限
[V]使用電圧範囲
上限
[V]定格電流
[A]定格入力
[W]回転速度
[rpm]最大風量
[m3/min]最大風量
[CFM]最大静圧
[Pa]最大静圧
[In H2O]騒音
[dB]質量
[g]F250A3-072-D0730 48 36 72 3.4 163.2 3100 24.4 862 777 3.1 81 2400 F250A4-072-D0720 48 36 72 1.9 91.2 2500 19.6 693 511 2.0 74 2400 F250A5-072-D0520 24 18 30 6.1 146.4 2900 22.8 806 664 2.7 78 2400 F250A6-072-D0520 24 18 30 3.5 84.0 2400 18.9 668 476 1.9 73 2400 *1 Average values in free air and rated voltage condition.
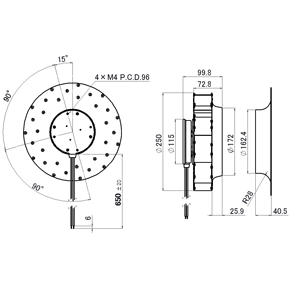
外観図
                  
取付穴参考寸法
                  
特性曲線
                  
 - 
40℃ 70,000時間 (L10)
 - 
インペラー:スティール
軸受:ボールベアリング
リード線:UL1015 AWG18 +:赤-:黒
速度制御:黄
速度信号:白 - 
関連データ
 
ミネベアミツミのファンモーターが選ばれる理由
                         

