複合機等のOA機器や家電製品などの各機構駆動に用いられるモーターです。 機器のコンパクト化、省電力化に、小型・高効率技術で対応しています。
Nd Mg: ネオジムマグネット仕様
Fe Mg: フェライトマグネット仕様
家電用パワーブラシレスモーターは、標準のプレート付き、標準のカバー付き仕様でのご提供が可能です。
概要
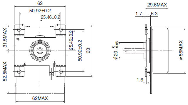
Φ 55 × L30 アウターローター方式直流無整流子モーター
モーター方式:3相DCブラシレスモーター
回転方向:CW and CCW
駆動制御回路内蔵
小型・軽量・高出力
高効率
低騒音
過電流 / 拘束 保護
歯切り出力軸タイプも提供可能
- 
 - 
 - 
使用電圧 
最小
[VDC]21.6 使用電圧 
定格
[VDC]24 使用電圧 
最大
[VDC]26.4 使用回転数 
最小
[min-1]600 使用回転数 
最大
[min-1]3000 連続作動定格出力 
最大
[W]40 ロータイナーシャ(参考値) 
定格
[g・cm2]565 使用温度範囲 
最小
[℃]0 使用温度範囲 
定格
[℃]20 使用温度範囲 
最大
[℃]50 使用湿度範囲 
最小
[%RH]15 使用湿度範囲 
最大
[%RH]90 質量 
最大
[g]270 お客様のご要望に応じたカスタム対応品となりますので詳細仕様及び受注ロットについては弊社営業にお問い合わせ下さい。
 - 
 - 
関連データ
 
注目製品
ミネベアミツミのモーターが選ばれる理由
幅広い製品群とグローバルでの開発・生産体制でモノづくりに貢献
                         
                         
                         
                         

