家電製品、AV機器、産業機器に用いられるモーターです。 高精度な低振動化技術・軸受技術で対応しています。
-
-
スクロールできます
ギア比
ギアタイプ
ギア材質
ギア段数
ギアボックス長
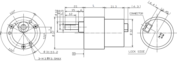
[mm]全長
[mm]定格電圧
[V]無負荷回転数
[r/min]無負荷電流
[mA]定格負荷トルク
[mN・m]定格負荷回転数
[r/min]定格負荷電流
[mA]最大定格負荷トルク
[mN・m]瞬時最大トルク
[mN・m]1/10 Spur 金属 1 20.5 41.8 12 320 80 54 296 260 98 98 1/25 Spur 金属 2 23 44.3 12 128 80 122 118 260 196 196 1/60 Spur 金属 3 25 46.3 12 53 80 262 49 260 294 441 1/100 Spur 金属 4 25 46.3 12 32 80 294 30 215 294 735 1/120 Spur 金属 4 25 46.3 12 27 80 353 25 215 588 882 ギア比表記は代表例であり、表以外のギヤ比にも対応可能です。
最大定格負荷トルク、瞬時最大トルクは標準仕様の値であり、ギヤ材質、ギヤ厚さ変更によって表記を超えるトルクにも対応可能です。 -
-
注目製品
ミネベアミツミのモーターが選ばれる理由
幅広い製品群とグローバルでの開発・生産体制でモノづくりに貢献

