This site uses cookies to improve your online experience. By continuing to use this site, we will assume that you are agreeing to our use of cookies. For more information about cookies, please visit our「cookie policy」.
CE01 Series 1.Waterproof performance with terminal insertion only 2.Improved workability by latch lock mechanism 3.Branch type is available
【Model Description】 ()・・・ Number of pins *・・・ Product specification
Specifiacations
Parts No.
CE01E0-01N1
Mounting Method/
Wiring method
Dummy Plug
Operating Temparature
Min [deg.C]
-40
Operating Temparature
Max [deg.C]
105
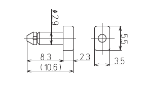
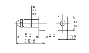
Overall View
NOTE
The product information in this data is for reference only. This is subject to change without notice. Contact our sales staff for further information before considering or ordering any of our products. Please request the Engineering Drawing for the most current and accurate design information.