HKPシリーズ
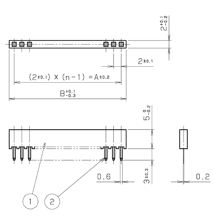
1.ピン抜き対応可能
2.ピン長の変更対応可能
3.誤挿入防止キーもご用意
※詳細はお問合せください

【型式説明】
()・・・極数
*/#・・・製品仕様

※製品に印字されている品名は略式表示となります。

  • 型式 HKP-44F201
    実装/結線方法 アクセサリ
    使用温度範囲
    下限
    [℃]
    -40
    使用温度範囲
    上限
    [℃]
    105

  • 掲載している商品の仕様は参考値です。お客様の性能を保証するものではありません。
    商品および仕様は、改良等のため予告なく記載内容を変更する場合があります。
    採用のご検討やご注文の際は当社販売窓口までお問い合わせのうえ、納入仕様書の取り交わしをお願いします。
    特に車載用途や医療用途などの高い信頼性やお客様指定の品質保証プログラムがある場合は、必ず事前に当社販売窓口までご相談下さいますようお願いいたします。

注目製品

ミネベアミツミのコネクタが選ばれる理由

豊富なラインアップと、きめ細かな対応でお客様のものづくりを支えます

産業分野(用途)から探す

サポート・お問い合わせ

各種製品に関するお問い合わせや技術的なご質問、各種資料のお取り寄せなど、各製品担当者がお答えいたします。