LPCシリーズ
1.ピン抜き対応可能
2.ピン長の変更対応可能
3.メッキ(金、スズ銅、厚さ)変更対応可能
※詳細はお問い合わせください
【型式説明】
()・・・極数
*/#・・・製品仕様
※製品に印字されている品名は略式表示となります。
-
-
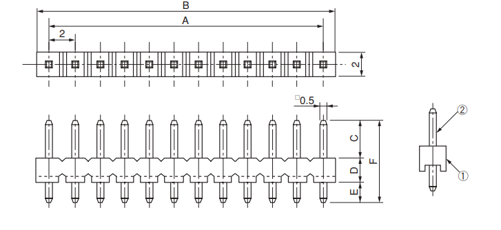
型式 LPC-()MG 芯数 1~30
※ご希望芯数取り扱い有無についてはお問合せください。ピッチ
[mm]2 実装/結線方法 ストレートDIP 定格電流
[A/ピン]1 耐電圧 AC500V(r.m.s)1分間 使用温度範囲
下限
[℃]-25 使用温度範囲
上限
[℃]85
-
-
掲載している商品の仕様は参考値です。お客様の性能を保証するものではありません。
商品および仕様は、改良等のため予告なく記載内容を変更する場合があります。
採用のご検討やご注文の際は当社販売窓口までお問い合わせのうえ、納入仕様書の取り交わしをお願いします。
特に車載用途や医療用途などの高い信頼性やお客様指定の品質保証プログラムがある場合は、必ず事前に当社販売窓口までご相談下さいますようお願いいたします。
注目製品
ミネベアミツミのコネクタが選ばれる理由
豊富なラインアップと、きめ細かな対応でお客様のものづくりを支えます