高効率、低騒音で長寿命を実現した汎用ファンです。ボールベアリングタイプ、スリーブタイプをご用意しています。
一般仕様
モーター保護:自動復帰方式、逆接続防止
絶縁抵抗:DC 500V メガにて10M Ω以上
絶縁耐圧:AC 700V 1s
許容環境温度範囲:-10℃ ~ +70℃ (Operating)
-40℃ ~ +70℃ (Storage)
実用上さしつかえない状態で結露無きこと
- 
 - 
以下のテーブル内の矢印アイコンを押下していただくと、昇順から降順と順番に切り替わります。
スクロールできます
型式
管理番号
定格電圧
[V]使用電圧範囲
下限
[V]使用電圧範囲
上限
[V]定格電流
[A]定格入力
[W]定格回転速度
[min-1]最大風量
[m3/min]最大風量
[CFM]最大静圧
[Pa]最大静圧
[In H2O]騒音
[dB]質量
[g]06020SS-12L-□A-00 00 12 6.0 13.8 0.06 0.72 3600 0.47 16.60 34.7 0.14 26.0 56.0 06020SS-12M-□A-00 00 12 6.0 13.8 0.08 0.96 4000 0.52 18.40 42.6 0.17 28.5 56.0 06020SS-12N-□A-00 00 12 6.0 13.8 0.09 1.08 4400 0.58 20.50 52.1 0.21 30.5 56.0 06020SS-24L-□A-00 00 24 12.0 27.6 0.05 1.20 3600 0.47 16.60 34.4 0.14 26.0 56.0 06020SS-24M-□A-00 00 24 12.0 27.6 0.06 1.44 4000 0.52 18.40 40.0 0.16 28.5 56.0 06020SS-24N-□A-00 00 24 12.0 27.6 0.07 1.68 4400 0.58 20.50 49.1 0.20 30.5 56.0 回転方向:ラベルから見て時計方向
風吹き出し方向:ラベル側
*1:Average Values in Free Air□=ケーシング形状 A:リブタイプ、E:フランジタイプ
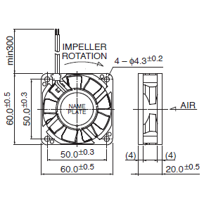
外観図
                  
取付穴参考寸法
                  
特性曲線
                  
 - 
40℃ 50,000時間 ※故障率10% (L10 Life)
 - 
ケーシング:プラスチック(ブラック)UL94V-0
インペラー:プラスチック(ブラック)UL94V-0
軸受:スリーブベアリング
リード線:UL1007 AWG26 +: 赤 -: 黒 - 
関連データ
 
注目製品
ミネベアミツミのファンモーターが選ばれる理由
                         

