高効率、低騒音で長寿命を実現した汎用ファンです。ボールベアリングタイプ、スリーブタイプをご用意しています。
一般仕様
モーター保護:自動復帰方式、逆接続防止
絶縁抵抗:DC 500V メガにて10M Ω以上
絶縁耐圧:AC 700V 1s
許容環境温度範囲:L、M Class:-10℃ ~ +70℃ (Operating)N Class:-10℃ ~ +60℃ (Operating)
-40℃ ~ +70℃ (Storage)実用上さしつかえない状態で結露無きこと
- 
 - 
以下のテーブル内の矢印アイコンを押下していただくと、昇順から降順と順番に切り替わります。
スクロールできます
型式
管理番号
定格電圧
[V]使用電圧範囲
下限
[V]使用電圧範囲
上限
[V]定格電流
[A]定格入力
[W]定格回転速度
[min-1]最大風量
[m3/min]最大風量
[CFM]最大静圧
[Pa]最大静圧
[In H2O]騒音
[dB]質量
[g]08015SS-12L-AA-00 00 12 6.0 13.8 0.11 1.32 2500 0.76 26.80 23.5 0.09 27.5 55.0 08015SS-12M-AA-00 00 12 6.0 13.8 0.15 1.80 2800 0.85 30.00 29.5 0.12 31.0 55.0 08015SS-12N-AA-00 00 12 6.0 13.8 0.21 2.52 3100 0.96 33.90 34.2 0.14 34.0 55.0 08015SS-24L-AA-00 00 24 12.0 27.6 0.07 1.68 2500 0.76 26.80 23.5 0.09 27.5 55.0 08015SS-24M-AA-00 00 24 12.0 26.4 0.10 2.40 2800 0.85 30.00 29.5 0.12 31.0 55.0 08015SS-24N-AA-00 00 24 12.0 26.4 0.12 2.88 3100 0.96 33.90 34.2 0.14 34.0 55.0 回転方向:ラベルから見て時計方向
風吹き出し方向:ラベル側
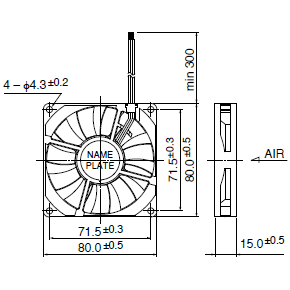
*1:Average Values in Free Air外観図
                  
取付穴参考寸法
                  
特性曲線
                  
 - 
40℃ 40,000時間 ※故障率10% (L10 Life)
 - 
ケーシング:プラスチック(ブラック)UL94V-0
インペラー:プラスチック(ブラック)UL94V-0
軸受:スリーブベアリング
リード線:UL1007 AWG26 +: 赤 -: 黒 - 
関連データ
 
注目製品
ミネベアミツミのファンモーターが選ばれる理由
                         

