厳しい環境下でも安定した性能を達成するように設計され、
使用用途によって、耐塵性、耐湿性、耐水性、耐油性の個別対応可能です。
一般仕様
モーター保護:自動復帰方式、逆接続防止
絶縁抵抗:DC 500V メガにて10M Ω以上
絶縁耐圧:AC 700V 1s
許容環境温度範囲:-10℃ ~ +85℃ (Operating)
-40℃ ~ +85℃ (Storage)
実用上さしつかえない状態で結露無きこと
- 
 - 
以下のテーブル内の矢印アイコンを押下していただくと、昇順から降順と順番に切り替わります。
スクロールできます
型式
管理番号
定格電圧
[V]使用電圧範囲
下限
[V]使用電圧範囲
上限
[V]定格電流
[A]定格入力
[W]定格回転速度
[min-1]最大風量
[m3/min]最大風量
[CFM]最大静圧
[Pa]最大静圧
[In H2O]騒音
[dB]質量
[g]08025DC-12N-WAA-0 0 12 10.0 13.2 0.19 2.28 4550 1.20 42.40 84.0 0.34 36.0 75.0 回転方向:ラベルから見て時計方向
風吹き出し方向:ラベル側
*1:Average Values in Free Air
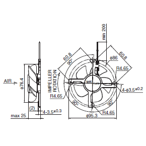
*2:Measured by dedicated the casing外観図
                  
特性曲線
                  
 - 
85℃ 40,000時間 ※故障率10% (L10 Life)
 - 
ケーシング:アルミニウム(塗装無し)
インペラー:プラスチック(ブラック)UL94V-0
軸受:ボールベアリング
リード線:UL3266 AWG24 +: 赤 -: 黒
* IP対応、耐油タイプにつきましては、カスタム対応にて製作可能です。
詳しくはお問い合わせください。 - 
関連データ
 
注目製品
ミネベアミツミのファンモーターが選ばれる理由
                         

