冷蔵庫用途に特化した省エネ対応設計。
使用部分によって、耐氷結構造や防塵構造に対応できる最新設計です。
一般仕様
モーター保護:自動復帰方式
絶縁抵抗:DC 500V メガにて10M Ω以上
絶縁耐圧:AC 700V 1s
許容環境温度範囲:-10℃ ~ +70℃ (Operating)
-40℃ ~ +70℃ (Storage)
実用上さしつかえない状態で結露無きこと
- 
 - 
以下のテーブル内の矢印アイコンを押下していただくと、昇順から降順と順番に切り替わります。
スクロールできます
型式
管理番号
定格電圧
[V]使用電圧範囲
下限
[V]使用電圧範囲
上限
[V]定格電流
[A]定格入力
[W]定格回転速度
[min-1]最大風量
[m3/min]最大風量
[CFM]最大静圧
[Pa]最大静圧
[In H2O]騒音
[dB]質量
[g]09225JS-12J-FA-00 00 12 6.0 13.2 0.04 0.48 1700 0.68 24.10 14.9 0.06 21.0 108.0 09225JS-12K-FA-00 00 12 6.0 13.2 0.06 0.72 2000 0.80 28.30 20.0 0.08 25.5 108.0 09225JS-12L-FA-00 00 12 6.0 13.2 0.08 0.96 2500 1.01 35.70 31.2 0.13 31.0 108.0 09225JS-24N-FA-00 00 24 20.4 26.4 0.16 3.84 3900 1.59 56.10 64.0 0.26 43.0 108.0 回転方向:ラベルから見て時計方向
風吹き出し方向:ラベル側
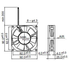
*1:Average Values in Free Air外観図
                  
取付穴参考寸法
                  
特性曲線
                  
 - 
40℃ 50,000時間 ※故障率10% (L10 Life)
 - 
ケーシング:プラスチック(ブラック)UL94V-0
インペラー:プラスチック(ブラック)UL94V-0
軸受:スリーブベアリング
リード線:UL1007 AWG26 +: 赤 -: 黒 - 
関連データ
 
注目製品
ミネベアミツミのファンモーターが選ばれる理由
                         

