冷蔵庫用途に特化した省エネ対応設計。
使用部分によって、耐氷結構造や防塵構造に対応できる最新設計です。
一般仕様
モーター保護:自動復帰方式
絶縁抵抗:DC 500V メガにて10M Ω以上
絶縁耐圧:AC 700V 1s
許容環境温度範囲:-10℃ ~ +70℃ (Operating)
-40℃ ~ +70℃ (Storage)
実用上さしつかえない状態で結露無きこと
- 
 - 
以下のテーブル内の矢印アイコンを押下していただくと、昇順から降順と順番に切り替わります。
スクロールできます
型式
管理番号
定格電圧
[V]使用電圧範囲
下限
[V]使用電圧範囲
上限
[V]定格電流
[A]定格入力
[W]定格回転速度
[min-1]最大風量
[m3/min]最大風量
[CFM]最大静圧
[Pa]最大静圧
[In H2O]騒音
[dB]質量
[g]17240JA-12L-YA-00 00 12 10.0 13.2 0.11 1.32 1350 3.10 109.50 22.4 0.09 29.5 325.0 17240JA-12M-YA-00 00 12 10.0 13.2 0.16 1.92 1550 3.63 128.20 30.7 0.12 33.5 325.0 回転方向:ラベルから見て時計方向
風吹き出し方向:ラベル側
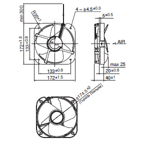
*1:Average Values in Free Air外観図
                  
特性曲線
                  
 - 
25℃ 100,000時間 ※故障率10% (L10 Life)
 - 
ケーシング:プラスチック(ブラック)UL94V-0
インペラー:プラスチック(ブラック)UL94V-0
軸受:ボールベアリング
リード線:UL1007 AWG24 +: 赤 -: 黒 - 
関連データ
 
注目製品
ミネベアミツミのファンモーターが選ばれる理由
                         

