高効率、低騒音で長寿命を実現した汎用ファンです。ボールベアリングタイプ、スリーブタイプをご用意しています。
一般仕様
モーター保護:自動復帰方式、逆接続防止
絶縁抵抗:DC 500V メガにて10M Ω以上
絶縁耐圧:AC 700V 1s
許容環境温度範囲:-10℃ ~ +70℃ (Operating)
-40℃ ~ +70℃ (Storage)
実用上さしつかえない状態で結露無きこと
- 
 - 
以下のテーブル内の矢印アイコンを押下していただくと、昇順から降順と順番に切り替わります。
スクロールできます
型式
管理番号
定格電圧
[V]使用電圧範囲
下限
[V]使用電圧範囲
上限
[V]定格電流
[A]定格入力
[W]定格回転速度
[min-1]最大風量
[m3/min]最大風量
[CFM]最大静圧
[Pa]最大静圧
[In H2O]騒音
[dB]質量
[g]2004KL-01W-B30-B00 B00 5 4.5 6.0 0.10 0.50 3500 0.18 6.40 16.0 0.06 23.0 20.0 2004KL-01W-B40-B00 B00 5 4.5 6.0 0.16 0.80 4500 0.23 8.10 26.0 0.10 28.5 20.0 2004KL-01W-B50-B00 B00 5 4.5 6.0 0.30 1.50 5500 0.29 10.20 35.0 0.14 35.0 20.0 2004KL-04W-B30-B00 B00 12 10.2 13.8 0.04 0.48 3500 0.18 6.40 16.0 0.06 23.0 20.0 2004KL-04W-B40-B00 B00 12 10.2 13.8 0.07 0.84 4500 0.23 8.10 26.0 0.10 28.5 20.0 2004KL-04W-B50-B00 B00 12 10.2 13.8 0.10 1.20 5500 0.29 10.20 35.0 0.14 34.0 20.0 回転方向:ラベルから見て時計方向
風吹き出し方向:ラベル側
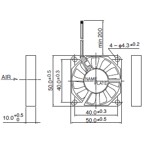
*1:Average Values in Free Air外観図
                  
取付穴参考寸法
                  
特性曲線
                  
 - 
25℃ 60,000時間 ※故障率10% (L10 Life)
 - 
ケーシング:プラスチック(ブラック)UL94V-0
インペラー:プラスチック(ブラック)UL94V-0
軸受:ボールベアリング
リード線:UL1061 AWG26 +: 赤 -: 黒 - 
関連データ
 
注目製品
ミネベアミツミのファンモーターが選ばれる理由
                         

