- 
 - 
以下のテーブル内の矢印アイコンを押下していただくと、昇順から降順と順番に切り替わります。
スクロールできます
型式
駆動電圧
下限
[V]駆動電圧
上限
[V]定格電圧
[V]無負荷回転数
[min-1]無負荷電流
[mA]定格負荷
[gf・cm]定格負荷
[mN・m]定格負荷回転数
[min-1]定格負荷電流
[mA]起動トルク
[gf・cm]起動トルク
[mN・m]起動電流
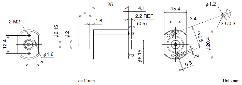
[mA]シャフト長
[mm]PWN10AWB17C 2.0 6.5 6.0 13350 180.0 10.00 0.98 12000 430 99.00 9.70 2650 11.0  - 
 - 
 
注目製品
ミネベアミツミのモーターが選ばれる理由
幅広い製品群とグローバルでの開発・生産体制でモノづくりに貢献
                         
                         
                         
                         

