新開発のギヤードモーターは、新発想に基づく遊星ギヤ方式(ふしぎ歯車)で構成しています。
大きな減速比をコンパクトサイズで実現し、小型で高出力・高分解能を可能にしました。
また、PMモーターの特徴である制御性の良さを兼ね備えているため、システム構成が簡素化でき取り扱いも容易です。
-
-
スクロールできます
外径
[mm]マグネット材質
絶縁抵抗値 (M)
[Ω/min]絶縁耐圧 (AC)
[V/min]電流/相(Peak)
[mA]励磁方式
巻線抵抗/相
[Ω]絶縁抵抗
絶縁耐圧
絶縁種
温度上昇MAX
[℃]使用周辺温度
下限
[℃]使用周辺温度
上限
[℃]ラジアルガタ
[mm]ラジアルガタ注記
スラストガタ
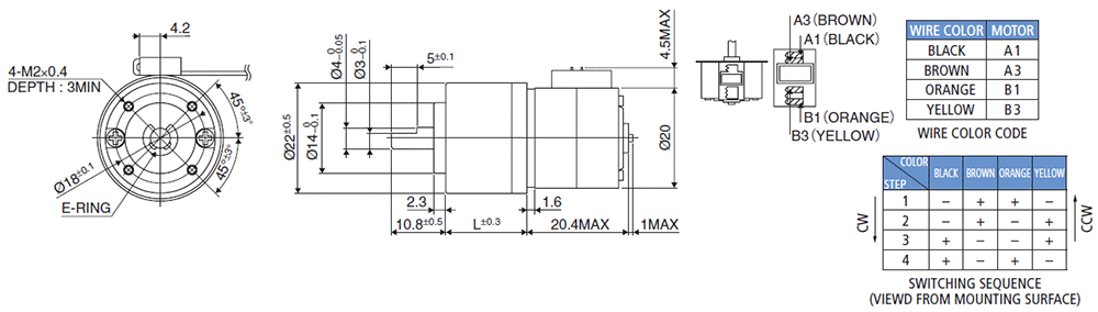
[mm]20.0 ネオジウム鉄ボンド (MS70) 100 500 400 2-2相 7.0 100M[Ω]Min. at DC500[V] AC500[V] 1[min] Class E(リード線を除く) 65 -10 50 0.03 *フランジ端面から6[mm] 0.25 -
-
-
以下のテーブル内の矢印アイコンを押下していただくと、昇順から降順と順番に切り替わります。
スクロールできます
型式
駆動方式
駆動電圧
[V]電流/相
[mA]駆動IC
減速比
[1:X]ステップ角
[°]推奨定格トルク
[mN・m]推奨定格トルク
[gf・cm]推奨瞬間最大トルク
[mN・m]推奨瞬間最大トルク
[gf・cm]ギヤヘッド長 L1
[mm]PG20L-K20-0004 バイポーラチョッパー 12 7.0 LB1847 1:4 4.500 49.0 500.0 73.5 750 13.1 PG20L-K20-0016 バイポーラチョッパー 12 7.0 LB1847 1:16 1.125 73.5 750.0 110.3 1125 16.2 PG20L-K20-0024 バイポーラチョッパー 12 7.0 LB1847 1:24 0.750 73.5 750.0 110.3 1125 16.2 PG20L-K20-0064 バイポーラチョッパー 12 7.0 LB1847 1:64 0.281 98.0 1000.0 147.0 1500 19.3 PG20L-K20-0096 バイポーラチョッパー 12 7.0 LB1847 1:96 0.187 98.0 1000.0 147.0 1500 19.3 PG20L-K20-0144 バイポーラチョッパー 12 7.0 LB1847 1:144 0.125 98.0 1000.0 147.0 1500 19.3 -
光学機器:プロジェクター、監視カメラ
医療機器:血液分析装置、チューブポンプ
産業機器:流動制御バルブ、アンテナ調整機
電動工具:ドリル、ドライバー -
製品カタログ
注目製品
ミネベアミツミのモーターが選ばれる理由
幅広い製品群とグローバルでの開発・生産体制でモノづくりに貢献

