新開発のギヤードモーターは、新発想に基づく遊星ギヤ方式(ふしぎ歯車)で構成しています。
大きな減速比をコンパクトサイズで実現し、小型で高出力・高分解能を可能にしました。
また、PMモーターの特徴である制御性の良さを兼ね備えているため、システム構成が簡素化でき取り扱いも容易です。
-
-
スクロールできます
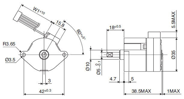
外径
[mm]長さ
[mm]マグネット材質
絶縁抵抗値 (M)
[Ω/min]絶縁耐圧 (AC)
[V/min]電流/相(Peak)
[mA]励磁方式
巻線抵抗
[Ω]絶縁種
動作温度範囲
下限
[℃]動作温度範囲
上限
[℃]保存温度範囲
下限
[℃]保存温度範囲
上限
[℃]動作湿度範囲RH
下限
[%]動作湿度範囲RH
上限
[%]35.0 38.50 フェライトプラスチック (MSPL) 100 500 400 2-2相 70.0 Class E(リード線を除く) 0 50 -30 80 20 90 -
-
-
以下のテーブル内の矢印アイコンを押下していただくと、昇順から降順と順番に切り替わります。
スクロールできます
駆動方式
駆動電圧
[V]減速比
[1:X]ステップ角
[°]ユニポーラ定電圧 12 1:35.4 0.212 ユニポーラ定電圧 12 1:89.8 0.084 -
一般家電:エアコン
OA機器:プリンター、コピー機
電動工具:ドリル、ドライバー
注目製品
ミネベアミツミのモーターが選ばれる理由
幅広い製品群とグローバルでの開発・生産体制でモノづくりに貢献

