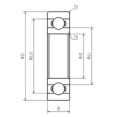
ラジアル玉軸受の中で最も代表的な形式で、ラジアル荷重の他、両方向のアキシアル荷重を受けることが可能です。ハウジング取付けの際に軸方向の位置決めを容易にするための外輪外周にフランジや止め輪を付けた形式もあります。

  • NMB Parts No. L-1060
    単位系:メトリック/インチ メトリック
    ISO/JIS 676
    材質 (リング) 軸受鋼
    形状 [ラジアル]基本形
    内径(d)
    [mm]
    6.000
    内径(d)公差
    [mm]
    JIS規格に準ずる
    外径(D)
    [mm]
    10.000
    外径(D)公差
    [mm]
    JIS規格に準ずる
    幅(B)
    [mm]
    2.500
    幅(B)公差
    [mm]
    JIS規格に準ずる
    面取り(rs min)
    [mm]
    0.100
    外輪肩径(Lo)
    [mm]
    8.730
    内輪肩径(Li)
    [mm]
    6.950
    ボール寸法(Dw)
    [mm]
    1.1906
    ボール個数(Z) 9
    基本動定格荷重(Cr)
    [N]
    457
    基本静定格荷重(Cor)
    [N]
    194
    内径(d)
    [in]
    0.2362
    外径(D)
    [in]
    0.3937

  • 当社製品のCADデータは、 キャデナス・ウェブ・ツー・キャド株式会社 が運営する「PARTcommunity」CADデータダウンロードサービスにて提供しています。
    2次元/3次元のCADデータを無料でダウンロード出来ますので、どうぞご活用ください。
    なお、当該サービスのご利用には「PARTcommunity」でのユーザー登録が必要となります

注目製品

ミネベアミツミのベアリングが選ばれる理由

世界シェアNo.1の実績を持つ超精密加工技術で幅広いニーズに対応します

技術情報

事例紹介

ダウンロード

産業分野(用途)から探す

サポート・お問い合わせ

各種製品に関するお問い合わせや技術的なご質問、各種資料のお取り寄せなど、各製品担当者がお答えいたします。